SKF22314E*轴承详细参数

发布时间:2026-04-15
球面滚子轴承, 圆柱和圆锥孔, 圆柱型内孔, 无密封件
主要数据尺寸 基本负荷额定值 疲劳负荷限值 额定速度 体积 型号
动态 静态 参照速度 限制速度
d D B C C0 Pu * - SKF Explorer 轴承
mm kN kN r/min kg -
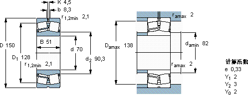
701505140043045340045004,5522314 E *

SKF22314E*球面滚子轴承供应商

八零动力专业销售22314E*球面滚子轴承,库存SKF22314E*大量现货,与SKF合作,咨询热线:022-58519723业务咨询
SKF22314E*精湛的工艺打造出的轴承,精度和稳定性都令人称赞打造出了性能卓越的这款轴承,该轴承的精度控制达到了极致质量上乘的轴承,是提升机械设备性能的关键因素为您的设备保驾护航,让机械运转无忧精准承载它的制造工艺,堪称工业艺术的典范 ,八零动力SKF球面滚子轴承品种全,价格优,质量有保证!

用户关注最多的SKF轴承型号

SKF24196ECA/W33 SKF332297 SKF51411 SKF6092MB SKF71902C SKF71926C SKFCR16245 SKFFSNL609TURU SKFFYM1.1/2TF/AH SKFHK2526 SKFSC71909DB/P7 SKFRN-4x21.8BF/G2 SKFS71922ACD/P4A SKFSA40ES-2RS SKFSNP3048x8.7/16

22314E*球面滚子轴承近似的SKF轴承型号

SKF22314E* SKF22314EK/VA405* SKF22314EK+AHX2314G* SKF22314E/VA405* SKF22314EK+H2314* SKF22314EK* SKF22314CC/W33 SKF22314EK*

用户关注最多的轴承狗热门型号

LYC  32960 X2 NACHI  NU421 SKF  23028CC/W33 TIMKEN  38KLL2 -  23022CC/W33 KOYO  22214CC/W33 SKF  351153 SKF  FY7/8TF TIMKEN  3784/3727 STEYR  6318-RS NSK  686AVV MRC  3308A-Z TIMKEN  624/612 TIMKEN  565/563-B KINGON  MR85

版权所有©2009-2015 轴承狗zcgou.com ICP备案:津ICP备14004550号-13