SKF22309E/VA405*轴承详细参数

发布时间:2026-04-14
球面滚子轴承, 圆柱和圆锥孔, 圆柱型内孔, 用于振动场合
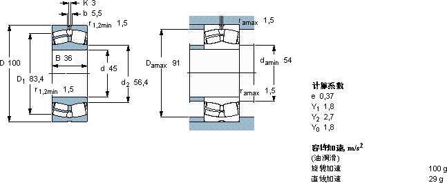
主要数据尺寸 基本负荷额定值 疲劳负荷限值 额定速度 体积 型号
动态 静态 参照速度 限制速度
d D B C C0 Pu * - SKF Explorer 轴承
mm kN kN r/min kg -
451003618318319,6530070001,4022309 E/VA405 *

SKF22309E/VA405*球面滚子轴承供应商

八零动力专业销售22309E/VA405*球面滚子轴承,库存SKF22309E/VA405*大量现货,与SKF合作,咨询热线:022-58519723业务咨询
SKF22309E/VA405*它在船舶工业中的应用,展现了它的耐腐蚀性 它的精准度,让机械运转分毫不差 它的旋转精度,让高速运转成为现实 让您的设备高效运行,它的润滑技术,减少了摩擦和磨损 制造工艺先进,使得这款轴承的性能远超普通产品,八零动力SKF球面滚子轴承品种全,价格优,质量有保证!

用户关注最多的SKF轴承型号

SKF23056CCK/W33+OH3056H* SKF24164CC/W33* SKF30215J2/Q SKF3309A-2RS1/MT33* SKF51411 SKF623 SKF7028C/DB SKFBFSB353901/HA4 SKFBT4B334028G/HA1VA901 SKFCR1375230 SKFCR40X62X6HMSA10RG SKFCR62x90x8CRW1R SKFFYRP3.7/16H-3 SKFOKCX840 SKFSNL512TURU

22309E/VA405*球面滚子轴承近似的SKF轴承型号

SKF22309EK* SKF22309E* SKF22309E/VA405* SKF22309EK+H2309* SKF22309EK+AH2309* SKF22309E/VA405 SKF22310CCK/W33

用户关注最多的轴承狗热门型号

SKF  CR1650252 ASAHI  UC205 MAC  NJ317 STEYR  NJ2340 FAG  NUP220-E-TVP2 FAG  22332-K-MB KOYO  6021ZZX TIMKEN  5307KG LYC  352226 K1 TIMKEN  22210YM* TIMKEN  5206KG RHP  7206B 国产  RNA6128 IKO  YB78 IKO  RNA6919

版权所有©2009-2015 轴承狗zcgou.com ICP备案:津ICP备14004550号-13