SKF22240-2CS5/VT143*轴承详细参数

发布时间:2026-04-15
球面滚子轴承, 圆柱和圆锥孔, 圆柱型内孔, 两面密封件
主要数据尺寸 基本负荷额定值 疲劳负荷限值 额定速度 体积 型号
动态 静态 参照速度 限制速度
d D B C C0 Pu * - SKF Explorer 轴承
mm kN kN r/min kg -
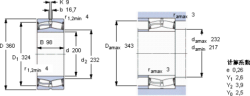
2003609814601930166-43043,522240-2CS5/VT143 *

SKF22240-2CS5/VT143*球面滚子轴承供应商

八零动力专业销售22240-2CS5/VT143*球面滚子轴承,库存SKF22240-2CS5/VT143*大量现货,与SKF合作,咨询热线:022-58519723业务咨询
SKF22240-2CS5/VT143*它的润滑技术,减少了摩擦和磨损 它的品质卓越,是提升机械设备整体性能的关键所在它的设计巧妙,在保证性能的同时,还兼顾了安装的便捷性质量上乘的轴承,为设备的高效稳定运行奠定了基础它虽小,却是工业革命的基石 让工作更高效,,八零动力SKF球面滚子轴承品种全,价格优,质量有保证!

用户关注最多的SKF轴承型号

SKF22248CCK/W33+OH3148H* SKF32056X/DF SKF51064M SKF5205A* SKF61888MA SKF628/8-2RS1 SKF7208BECBY SKF7236C SKF7320BEM SKFBEAM030100-2Z SKFCR160X185X15HMSA10RG SKFCR75030 SKFCRMVR1-35 SKFHN1412 SKFSNL3234

22240-2CS5/VT143*球面滚子轴承近似的SKF轴承型号

SKF22240CC/W33* SKF22240-2CS5/VT143* SKF22240CCK/W33* SKF22240-2CS5K/VT143* SKF22240CCK/W33+H3140* SKF22240CCK/W33+AH2240* SKF22240-2CS5K/VT143* SKF22240CCK/W33

用户关注最多的轴承狗热门型号

NACHI  24124EX1 TIMKEN  HML92 FAG  BND3034-H-W-Y-AF-S NTN  6301-2RS SKF  6230/C3VL2071 SKF  NUP207ECP TIMKEN  HM813839/HM813810 国产  3811/630 INA  GF45-DO FAG  24064-B-MB STEYR  51418 FAG  QJ314-MPA TORRINGTON FAFNIR  7218C NACHI  6804N INA  AM30

版权所有©2009-2015 轴承狗zcgou.com ICP备案:津ICP备14004550号-13