SKF22228-2CS5/VT143*轴承详细参数

发布时间:2026-04-15
球面滚子轴承, 圆柱和圆锥孔, 圆柱型内孔, 两面密封件
主要数据尺寸 基本负荷额定值 疲劳负荷限值 额定速度 体积 型号
动态 静态 参照速度 限制速度
d D B C C0 Pu * - SKF Explorer 轴承
mm kN kN r/min kg -
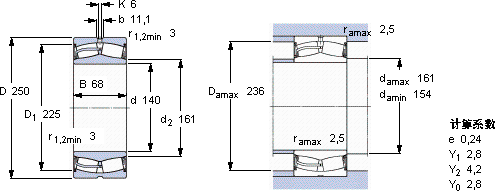
1402506871090086,5-67014,022228-2CS5/VT143 *

SKF22228-2CS5/VT143*球面滚子轴承供应商

八零动力专业销售22228-2CS5/VT143*球面滚子轴承,库存SKF22228-2CS5/VT143*大量现货,与SKF合作,咨询热线:022-58519723业务咨询
SKF22228-2CS5/VT143*它的品质卓越,为机械设备的高效、稳定运行保驾护航它的质量卓越,为机械设备的安全运行保驾护航是机械世界的璀璨明星,它在冶金设备中的应用,确保了设备的高温性能 它的尺寸精度,达到了微米级的极致 精湛的制造工艺赋予了这款轴承出色的性能和可靠性,八零动力SKF球面滚子轴承品种全,价格优,质量有保证!

用户关注最多的SKF轴承型号

SKF23948CCK/W33 SKF6017-2RS SKF68450/68712 SKF7405BCBM SKFBT2B328957 SKFCR13857 SKFCR33807 SKFHN2820 SKFIR12x15x16 SKFK17x21x17 SKFN1008KPHA/HC5SP SKFOKBS134 SKFS71910ACD/P4A SKFSYE1.7/16NH SKFYAR214-208-2F

22228-2CS5/VT143*球面滚子轴承近似的SKF轴承型号

SKF22228CC/W33* SKF22228CCK/W33* SKF22228-2CS5/VT143* SKF22228CCK/W33+H3128* SKF22228CCK/W33+AHX3128* SKF22228-2CS5K/VT143* SKF22228-2CS5K/VT143* SKF22228CCK/W33

用户关注最多的轴承狗热门型号

NTN  7322AC/DT FAG  BND3140-H-C-T-BL-S SKF  CR20431 国产  22352 LYC  N 320 M/P5 国产  3932M-2KDCM DKF  7022AC/DF TIMKEN  468/452D+X1S-468 KOYO  22344RHA SKF  SIKAC30M SKF  CR12544 NTN  7303C/DT TIMKEN  659/654D+X1S-659 Stieber  NFR8 IKO  CRW4-440SL

版权所有©2009-2015 轴承狗zcgou.com ICP备案:津ICP备14004550号-13