SKF319165A轴承详细参数

发布时间:2026-05-30
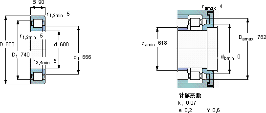
圆柱滚子轴承, 单列, NUP 设计
主要数据尺寸 基本负荷额定值 疲劳负荷限值 额定速度 体积 型号 适宜的斜挡圈
动态 静态 参照速度 限制速度 型号
d D B C C0 Pu
mm kN kN r/min kg - -
6008009018303600255750950135319165 A-

SKF319165A圆柱滚子轴承供应商

八零动力专业销售319165A圆柱滚子轴承,库存SKF319165A大量现货,与SKF合作,咨询热线:022-58519723业务咨询
SKF319165A它的质量过硬,为机械设备的高效、安全运行提供了保障它的滚动体与沟槽的配合,堪称完美 它的低摩擦设计,减少了能量损耗 它的品质卓越,是提升机械设备整体性能的关键所在先进的制造技术和严格的质量控制,造就了这款优质轴承转动不停歇,八零动力SKF圆柱滚子轴承品种全,价格优,质量有保证!

用户关注最多的SKF轴承型号

SKF22217E* SKF22232CCK/W33 SKF22238-2CS5K/VT143* SKF32208BJ2/Q SKF32215J2/QDF SKFAXW50 SKFBC2B322564 SKFCR19635 SKFCR19733 SKFCR524215 SKFFYRP1.1/2 SKFPF1/2FM SKFSILA40TXE-2LS SKFSONL226-526 SKFSYK40TR

319165A圆柱滚子轴承近似的SKF轴承型号

SKF319165A SKF319165 SKF319165 SKF319166A

用户关注最多的轴承狗热门型号

NSK  CM-UCF207-104D1 INA  CSCG065 SKF  NU1030ML SYEYR  NU2312 SKF  CR25X42X10HMSA10V LYC  M280249DGW/M280210/M280210D LYC  3-940G SKF  CR240x300x25HDS1R FAG  SNV180-L + 2220-K-M-C3 + H320X310 + DHV520X310 ZKL  30204 NSK  NN3014TBKR RIV  NUP204 NSK  54244X NTN  7932DB LYC  591/1060 M/P5

版权所有©2009-2015 轴承狗zcgou.com ICP备案:津ICP备14004550号-13