SKF22217EK+H317*轴承详细参数

发布时间:2026-05-30
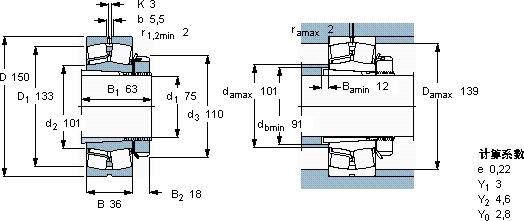
球面滚子轴承, 带紧定套的
主要数据尺寸 基本负荷额定值 疲劳负荷限值 额定速度 体积 型号
动态 静态 参照速度 限制速度 轴承 + 紧定套
d1 D B C C0 Pu
* - SKF Explorer 轴承
mm kN kN r/min kg -
751503628532534,5400056003,7022217 EK + H 317 *

SKF22217EK+H317*球面滚子轴承供应商

八零动力专业销售22217EK+H317*球面滚子轴承,库存SKF22217EK+H317*大量现货,与SKF合作,咨询热线:022-58519723业务咨询
SKF22217EK+H317*精准运转轴承的精度极高,使得设备的运行误差被控制在极小范围内这轴承的稳定性极佳,即使在恶劣环境下也能正常工作该轴承的性能出色,有效提升了机械设备的整体性能它的滚动体与沟槽的配合,堪称完美 轴承的耐用性极佳,为设备的长期稳定运行提供了保障,八零动力SKF球面滚子轴承品种全,价格优,质量有保证!

用户关注最多的SKF轴承型号

SKF1208EKTN9+H208 SKF5218A-2Z SKF6001-Z* SKF7220B/DB SKFBT4B331226AG/HA1 SKFC2314* SKFCR115X140X12HMSA10V SKFCR38X72X10HMSA10RG SKFCR99224 SKFK68x74x35ZW SKFM35x1.5 SKFNA4834 SKFNNCF4916CV SKFPDPF2220 SKFSDAF22520

22217EK+H317*球面滚子轴承近似的SKF轴承型号

SKF22217EK+AHX317* SKF22217EK+H317* SKF22217EK* SKF22217E* SKF22217E/W64* SKF22217EK+AHX317* SKF22217E/W64*

用户关注最多的轴承狗热门型号

RHP  609-2RS TORRINGTON&FAFNIR  7003C DKF  7218B/DF LYC  6213 E NSK  7208A5TYNDBLP4 TORRINGTON&FAFNIR  627-2RS FAG  BND3044-Z-Y-AL-S NSK  2321 SKF  BK2516 SKF  CR1900563 SKF  SY1.3/16TF/VA228 TIMKEN  M241547/M241510CD/X2S-67983 国产  NU2332X2WBQ1/S0 SKF  GE110ES-2RS IKO  NTB1629

版权所有©2009-2015 轴承狗zcgou.com ICP备案:津ICP备14004550号-13