SKF22217E/W64*轴承详细参数

发布时间:2026-05-30
球面滚子轴承, 圆柱型内孔,含Solid Oil, 圆柱型内孔
主要数据尺寸 基本负荷额定值 疲劳负荷限值 限制速度 体积 型号
动态 静态
dDBCC0Pu * - SKF Explorer 轴承
mm kN kN r/min kg -
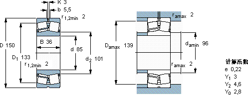
851503628532534,53602,6522217 E/W64 *

SKF22217E/W64*球面滚子轴承供应商

八零动力专业销售22217E/W64*球面滚子轴承,库存SKF22217E/W64*大量现货,与SKF合作,咨询热线:022-58519723业务咨询
SKF22217E/W64*轴承的选材精良,确保了其具有良好的耐磨性和抗腐蚀性它的滚动体与沟槽的配合,堪称完美 机械的心脏这轴承的精度控制令人佩服,为设备的精准运行提供了保障它在纺织机械中的应用,确保了设备的高速运转 它在矿山设备中的应用,确保了设备的高负载能力 ,八零动力SKF球面滚子轴承品种全,价格优,质量有保证!

用户关注最多的SKF轴承型号

SKF2x7316BECCM* SKF51188F SKF6026-RS SKF7010ACE/HCP4A SKF7217C SKF7340BCBM SKFBT4B328870EX1/C480* SKFCR526715 SKFNNCL4868CV SKFNUP2207ECP* SKFNUP2224ECP* SKFRLS5-2Z SKFSDAF23288KAx16.1/2 SKFT7FC070/QCL7C SKFW14

22217E/W64*球面滚子轴承近似的SKF轴承型号

SKF22217EK* SKF22217E* SKF22217EK+H317* SKF22217E/W64* SKF22217EK+AHX317* SKF22217EK+H317* SKF22218CCK/W33

用户关注最多的轴承狗热门型号

KOYO  399AS/394A TIMKEN  22212CJ INA  RA15 SKF  GEZM200ES SKF  SAF22308 MRC  7201B/DF MRC  NF206 SKF  CR140X170X12HMSA10RG FAG  AH240/1060-H KOYO  580R/572X FLT  NJ2307 INA  PAP5020-P10 IKO  BA44 IKO  AS1831 IKO  CR36VR

版权所有©2009-2015 轴承狗zcgou.com ICP备案:津ICP备14004550号-13