SKF22215E/W64*轴承详细参数

发布时间:2026-04-27
球面滚子轴承, 圆柱型内孔,含Solid Oil, 圆柱型内孔
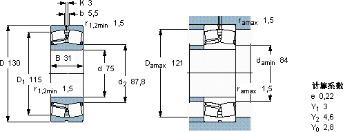
主要数据尺寸 基本负荷额定值 疲劳负荷限值 限制速度 体积 型号
动态 静态
dDBCC0Pu * - SKF Explorer 轴承
mm kN kN r/min kg -
751303121224026,54001,7022215 E/W64 *

SKF22215E/W64*球面滚子轴承供应商

八零动力专业销售22215E/W64*球面滚子轴承,库存SKF22215E/W64*大量现货,与SKF合作,咨询热线:022-58519723业务咨询
SKF22215E/W64*稳定持久是您成功路上的得力助手,品质卓越轴承的稳定性和可靠性表现出色,赢得了用户的高度认可它的耐磨性能,让它在恶劣环境下依然稳定运行 它的耐腐蚀性,减少了维护成本 ,八零动力SKF球面滚子轴承品种全,价格优,质量有保证!

用户关注最多的SKF轴承型号

SKF29234 SKF3219 SKF619/4-2Z SKFC3092KM+OH3092H* SKFCR2150380 SKFCRMVR1-25 SKFFSYE3N SKFFYJ2.1/2TF SKFK70x78x30 SKFN310ECM* SKFNJ213E+HJ213E SKFRNA4868 SKFSYE3NH SKFWS89316 SKFYAR208-2RF/VE495

22215E/W64*球面滚子轴承近似的SKF轴承型号

SKF22215EK+H315* SKF22215EK* SKF22215EK+AH315G* SKF22215E* SKF22215E/W64* SKF22215EK+H315* SKF22216CCK/W33

用户关注最多的轴承狗热门型号

LYC  NU 1052/P5 SKF  FYT3/4TF/VA201 KOYO  129 INA  ZM17 KOYO  7211B/DF NTN  NJ2307E+HJ2307E 国产  60/28-ZN INA  GE10-UK DKF  7217B/DF STEYR  NU315 NACHI  NUP2208 LYC  NJ 2230 EM/YB DKF  7005AC/DF MRC  NU314 IKO  KT141811

版权所有©2009-2015 轴承狗zcgou.com ICP备案:津ICP备14004550号-13