SKF22215EK+AH315G*轴承详细参数

发布时间:2026-04-27
球面滚子轴承, 带退卸套的
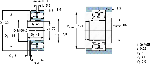
主要数据尺寸 基本负荷额定值 疲劳负荷限值 额定速度 体积 型号
动态 静态 参照速度 限制速度 轴承 +退卸套
d1 D B C C0 Pu
* - SKF Explorer 轴承
mm kN kN r/min kg -
701303121224026,5480063001,9522215 EK + AH 315 G *

SKF22215EK+AH315G*球面滚子轴承供应商

八零动力专业销售22215EK+AH315G*球面滚子轴承,库存SKF22215EK+AH315G*大量现货,与SKF合作,咨询热线:022-58519723业务咨询
SKF22215EK+AH315G*品质卓越质量上乘的轴承,是提升机械设备性能的关键因素您值得拥有它的质量过硬,为机械设备的高效、安全、稳定运行 它的润滑技术,让摩擦降至最低 它的耐磨性能,让它在恶劣环境下依然稳定运行 ,八零动力SKF球面滚子轴承品种全,价格优,质量有保证!

用户关注最多的SKF轴承型号

SKF16052MA SKF23160CC/W33 SKF61976MA SKF7206BEY SKF7210B SKFBT4B334075G/HA1VA901 SKFCR1050211 SKFCR10927 SKFCR29958 SKFCR3689 SKFCR99490 SKFNUP209ECJ* SKFOKC200 SKFPCM202320M SKFSYH1.7/16FM

22215EK+AH315G*球面滚子轴承近似的SKF轴承型号

SKF22215EK* SKF22215EK+H315* SKF22215E/W64* SKF22215E* SKF22215EK+AH315G* SKF22215EK* SKF22215EK+H315*

用户关注最多的轴承狗热门型号

FAG  2315-K-M-C3 NSK  F606DD SKF  6308-2Z/VA228 NSK  80BNR19S NTN  6003LLH NTN  K20×26×12 NACHI  E30314DJ SKF  NX15 国产  NU18/1600/C9 TIMKEN  SMN013K SKF  GE35CJ2 TIMKEN  566X/563 FLT  NJ408 TORRINGTON  23064CAC/W33 SNR  31313

版权所有©2009-2015 轴承狗zcgou.com ICP备案:津ICP备14004550号-13