SKF22215EK+H315*轴承详细参数

发布时间:2026-05-29
球面滚子轴承, 带紧定套的
主要数据尺寸 基本负荷额定值 疲劳负荷限值 额定速度 体积 型号
动态 静态 参照速度 限制速度 轴承 + 紧定套
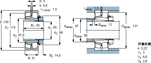
d1 D B C C0 Pu
* - SKF Explorer 轴承
mm kN kN r/min kg -
651303121224026,5480063002,4522215 EK + H 315 *

SKF22215EK+H315*球面滚子轴承供应商

八零动力专业销售22215EK+H315*球面滚子轴承,库存SKF22215EK+H315*大量现货,与SKF合作,咨询热线:022-58519723业务咨询
SKF22215EK+H315*轴承的稳定性和可靠性表现出色,赢得了用户的高度认可优秀的设计理念和精湛的制造工艺,成就了这款优秀的轴承它的尺寸精度,达到了微米级的极致 这轴承的质量过硬,经得起时间和高强度工作的考验它在印刷机械中的应用,展现了它的高精度 先进的制造工艺,让这款轴承的性能更加稳定可靠,八零动力SKF球面滚子轴承品种全,价格优,质量有保证!

用户关注最多的SKF轴承型号

SKF23240-2CS5/VT143* SKF24184ECA/W33 SKF51428M SKF6309-2RS1TN9/HC5C3WT SKF6314-2Z/VA208 SKF7219BEGAM* SKFCR23755 SKFCR400451 SKFCR90017 SKFCR99084 SKFKMTA18 SKFN217ECP* SKFNA4910 SKFSNL3072TURT SKFSYR2.H-18

22215EK+H315*球面滚子轴承近似的SKF轴承型号

SKF22215EK+AH315G* SKF22215E/W64* SKF22215EK* SKF22215EK+H315* SKF22215E* SKF22215EK+AH315G* SKF22215E/W64*

用户关注最多的轴承狗热门型号

SKF  3200A-2Z NTN  32926 NSK  NUP244M NSK  51111 SKF  CR28X52X7HMSA10RG NSK  NN3020TKR NSK  6021DDU LYC  S180 FYH  UK306+H2306 INA  PME60-N INA  KSR16-L0-10-10-14-08 LYC  6212 E-ZN KOYO  23240CCK/W33 FAG  F511-WA-L + 22211-E1-K IKO  NAG4920UU

版权所有©2009-2015 轴承狗zcgou.com ICP备案:津ICP备14004550号-13