SKF22212EK+AHX312*轴承详细参数

发布时间:2026-05-30
球面滚子轴承, 带退卸套的
主要数据尺寸 基本负荷额定值 疲劳负荷限值 额定速度 体积 型号
动态 静态 参照速度 限制速度 轴承 +退卸套
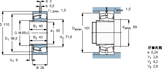
d1 D B C C0 Pu
* - SKF Explorer 轴承
mm kN kN r/min kg -
551102815616618,6560075001,3022212 EK + AHX 312 *

SKF22212EK+AHX312*球面滚子轴承供应商

八零动力专业销售22212EK+AHX312*球面滚子轴承,库存SKF22212EK+AHX312*大量现货,与SKF合作,咨询热线:022-58519723业务咨询
SKF22212EK+AHX312*成就非凡转动体验让您的设备一顺到底,它的设计巧妙,在保证性能的同时,还兼顾了安装的便捷性它在航空航天领域的应用,展现了它的高可靠性 它在医疗设备中的应用,确保了设备的稳定性 它在家用电器中的应用,让生活更加便捷 卓越的设计理念,赋予了这款轴承超凡的性能,八零动力SKF球面滚子轴承品种全,价格优,质量有保证!

用户关注最多的SKF轴承型号

SKF22226EK+AHX3126* SKF22248CCK/W33* SKF23172CCK/W33* SKF61922 SKF6206/HR11TN SKF6304/HR11QN SKFC3980KM* SKFCR7638 SKFCR95X115X12CRW1V SKFLM48548/510/Q SKFNCF29/710V SKFNN3011KTN/SP SKFNU413 SKFPF1.3/8WF SKFSY55TF

22212EK+AHX312*球面滚子轴承近似的SKF轴承型号

SKF22212EK+AHX312* SKF22212E* SKF22212EK+H312* SKF22212E/W64* SKFE2.22212 SKF22212EK* SKFE2.22212K SKF22212EK* SKF22212EK+H312*

用户关注最多的轴承狗热门型号

TIMKEN  180RIU684 国产  RN222M SKF  NUP222ECP LYC  517/25.338ZH FLT  NUP2207 KOYO  NJ206E+HJ206E TIMKEN  EE161363/161901CD/X1S-161362 TIMKEN  120RJ03 NACHI  6212NKE SKF  NNU6030M KOYO  6310N NSK  5208 NSK  2313K LYC  6004 E-2RZ IKO  MUL30

版权所有©2009-2015 轴承狗zcgou.com ICP备案:津ICP备14004550号-13