SKF2211EKTN9轴承详细参数

发布时间:2026-04-14
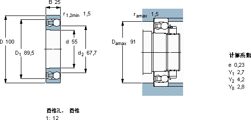
自调心球轴承, 圆柱孔和圆锥孔, 圆锥型内孔, 无密封件
主要数据尺寸 基本负荷额定值 疲劳负荷限值 额定速度 体积 型号
动态 静态 参照速度 限制速度
d D B C C0 Pu
mm kN kN r/min kg -
55100253913,40,71200085000,812211 EKTN9

SKF2211EKTN9自调心球轴承供应商

八零动力专业销售2211EKTN9自调心球轴承,库存SKF2211EKTN9大量现货,与SKF合作,咨询热线:022-58519723业务咨询
SKF2211EKTN9它在轨道交通中的应用,确保了列车的安全运行 顺滑无声质量无可挑剔的轴承,为设备的高效运作提供了有力支持它的轴向跳动控制,确保了机械的平稳运行 它的质量过硬,为机械设备的高效、安全运行提供了保障该轴承的性能出色,有效提升了机械设备的整体性能,八零动力SKF自调心球轴承品种全,价格优,质量有保证!

用户关注最多的SKF轴承型号

SKF1305K SKF6003-RSH* SKF61812 SKF6209-RS1* SKF634 SKF7000AC/DT SKF71808ACD/P4 SKF7308BEP SKF7316BEGBY SKFC4036V* SKFCR13X26X7HMS5V SKFLR17x20x20.5 SKFPF1.11/16FM SKFSY1.1/4ARM SKFYAR216-215-2F/AH

2211EKTN9自调心球轴承近似的SKF轴承型号

SKF2211EKTN9 SKF2211E-2RS1KTN9+H311C SKF2211EKTN9+H311 SKF2211E-2RS1KTN9 SKF2211ETN9 SKF2211E-2RS1TN9 SKF2211K+H311 SKF2211EKTN9+H311

用户关注最多的轴承狗热门型号

SKF  23276CACK/W33 MAC  NUP315 KOYO  33210 NTN  7815CDB NTN  HK2016 TIMKEN  41125/41286 NTN  NJ2232E+HJ2232E FAG  SD548-N-FZ-AF-L + 222SM220-MA FAG  BND3064-Z-T-BF-S SKF  CR115X160X15CRSH1R RIV  NJ310 NSK  16034 SKF  6203-RZ SKF  CR45X60X7HMS5RG GMN  7201AC/DT

版权所有©2009-2015 轴承狗zcgou.com ICP备案:津ICP备14004550号-13