SKF2211E-2RS1KTN9+H311C轴承详细参数

发布时间:2026-04-14
自调心球轴承, 带紧定套, 两面密封件
主要数据尺寸 基本负荷额定值 疲劳负荷限值 额定速度 体积 型号
动态 静态 参照速度 限制速度 轴承 + 紧定套
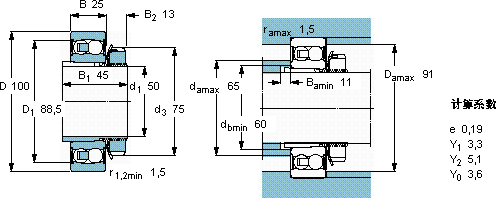
d1 D B C C0 Pu
mm kN kN r/min kg -
501002527,610,60,54-43001,102211 E-2RS1 KTN9 + H 311 C

SKF2211E-2RS1KTN9+H311C自调心球轴承供应商

八零动力专业销售2211E-2RS1KTN9+H311C自调心球轴承,库存SKF2211E-2RS1KTN9+H311C大量现货,与SKF合作,咨询热线:022-58519723业务咨询
SKF2211E-2RS1KTN9+H311C它的滚动体分布均匀,运转平稳无振动 它的高效率,减少了能源消耗 它在包装机械中的应用,确保了设备的高效率 它的质量可靠,是众多机械设备制造商的首选配件它的加工设备,代表了世界领先水平 质量无可比拟的轴承,在行业内树立了良好的品质标杆,八零动力SKF自调心球轴承品种全,价格优,质量有保证!

用户关注最多的SKF轴承型号

SKF2317K SKF23196CAK/W33* SKF2x7308BECBP* SKF315513 SKF61907-2RS1 SKFCR115X140X12HMS5RG SKFKMT36 SKFNATV15 SKFNKS24 SKFNNU4938BK/SPW33 SKFPCM758060B SKFS7/8FM SKFSYE2.7/16H-3 SKFW6200-2RS1 SKFYAT206

2211E-2RS1KTN9+H311C自调心球轴承近似的SKF轴承型号

SKF2211E-2RS1TN9 SKF2211EKTN9+H311 SKF2211E-2RS1KTN9+H311C SKF2211EKTN9 SKF2211ETN9 SKF2211E-2RS1KTN9 SKF2211E-2RS1KTN9 SKF2211E-2RS1TN9

用户关注最多的轴承狗热门型号

NSK  NN4921MBKR SKF  NA4908.2RS ZKL  32040 NACHI  54312U NTN  NJ2332E FAG  SNV072-L + 2207-K-TVH-C3 + H307X102 + FSV507X102 FLT  NUP208 LYC  22317/C3W33 LYC  32948 X2 TIMKEN  14138A/14276D+X2S-14137 TIMKEN  200K TIMKEN  681/672D SKF  C2218K+AHX318* SKF  61972 LYC  6310 ECM/Z2

版权所有©2009-2015 轴承狗zcgou.com ICP备案:津ICP备14004550号-13