SKF2208EKTN9+H308轴承详细参数

发布时间:2026-04-14
自调心球轴承, 带紧定套, 无密封件
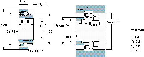
主要数据尺寸 基本负荷额定值 疲劳负荷限值 额定速度 体积 型号
动态 静态 参照速度 限制速度 轴承 + 紧定套
d1 D B C C0 Pu
mm kN kN r/min kg -
35802331,9100,5116000110000,582208 EKTN9 + H 308

SKF2208EKTN9+H308自调心球轴承供应商

八零动力专业销售2208EKTN9+H308自调心球轴承,库存SKF2208EKTN9+H308大量现货,与SKF合作,咨询热线:022-58519723业务咨询
SKF2208EKTN9+H308它的润滑技术,减少了润滑剂的使用 卓越的性能表现,让这款轴承在市场上脱颖而出它的精密装配,确保了整体性能的卓越 它的加工设备,代表了世界领先水平 转动世界的精密之选,以精湛工艺,八零动力SKF自调心球轴承品种全,价格优,质量有保证!

用户关注最多的SKF轴承型号

SKF1726305-2RS1 SKF240/800ECAK30/W33+AOH240/800G* SKF2x7317BEGAM* SKF30326T142J2/DB11C150 SKF316733 SKF32311 SKF331981 SKFAOH24164 SKFC3120KV+H3120* SKFBS2B247590 SKFBTM85B/HCP4CDBB SKFCR100x125x12CRW1R SKFCR28425 SKFGEZM312ES SKFKMFE9

2208EKTN9+H308自调心球轴承近似的SKF轴承型号

SKF2208E-2RS1TN9 SKF2208E-2RS1KTN9+H308C SKF2208EKTN9 SKF2208E-2RS1KTN9 SKF2208EKTN9+H308 SKF2208ETN9 SKF2208EKTN9 SKF2208ETN9

用户关注最多的轴承狗热门型号

TIMKEN  896/892CD NSK  ZM-UCF210-113D1 TORRINGTON FAFNIR  3208 FLT  NU2205 RHP  7213C/DB INA  DKLFA2080-2RS NTN  NN3048 GMN  7024C/DF FAG  SNV200-L + 2222-K-M-C3 + H322 + FSV522 TIMKEN  T107W LYC  6205 E/Z3 NTN  NJ2313E FAG  SNV180-L + 2317-K-M-C3 + H2317X215 + TSV617 LYC  9750027780 IKO  LRB121612

版权所有©2009-2015 轴承狗zcgou.com ICP备案:津ICP备14004550号-13