SKF21310EK+H310*轴承详细参数

发布时间:2026-05-30
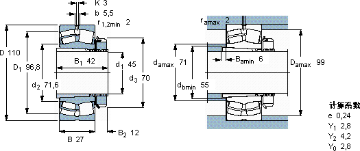
球面滚子轴承, 带紧定套的
主要数据尺寸 基本负荷额定值 疲劳负荷限值 额定速度 体积 型号
动态 静态 参照速度 限制速度 轴承 + 紧定套
d1 D B C C0 Pu
* - SKF Explorer 轴承
mm kN kN r/min kg -
451102715616618,6560075001,6021310 EK + H 310 *

SKF21310EK+H310*球面滚子轴承供应商

八零动力专业销售21310EK+H310*球面滚子轴承,库存SKF21310EK+H310*大量现货,与SKF合作,咨询热线:022-58519723业务咨询
SKF21310EK+H310*它的精密制造工艺,让人叹为观止 先进的生产工艺,让这款轴承的性能得到了极大提升性能优越的轴承,极大地提高了设备的工作效率和稳定性卓越的设计和可靠的性能,是这款轴承的两大亮点匠心制造它的密封性能,减少了润滑剂的泄漏 ,八零动力SKF球面滚子轴承品种全,价格优,质量有保证!

用户关注最多的SKF轴承型号

SKF2316K SKF231/1000CAF/W33 SKF351830 SKF51340M SKF60/560N1MAS SKFCR15X32X7HMSA10V SKFCR84x127x11CRWH1R SKFCR97545 SKFFNL522B SKFGEZ014ES SKFHM266449/410 SKFK40x47x20 SKFSAFC2620x3.1/2 SKFSNW3044x7.15/16 SKFZ204

21310EK+H310*球面滚子轴承近似的SKF轴承型号

SKF21310EK* SKF21310EK+AHX310* SKF21310EK+H310* SKF21310E* SKF21310EK+AHX310* SKF21311CC

用户关注最多的轴承狗热门型号

STEYR  NU203E SKF  BK2816 NTN  6814NR SKF  CR35X49X6HMSA10RG SKF  3208A-2RS1/MT33* SNR  7311C SKF  CR39276 SKF  CR27X37X7HMS5V DKF  7038AC/DB TIMKEN  33889/33821DC/X1S-33889 MRC  6203N LYC  24124 C/C3W33 MRC  QJ216 INA  PAF35160-P10 IKO  NAS5016ZZNR

版权所有©2009-2015 轴承狗zcgou.com ICP备案:津ICP备14004550号-13