SKF21310EK+AHX310*轴承详细参数

发布时间:2026-05-30
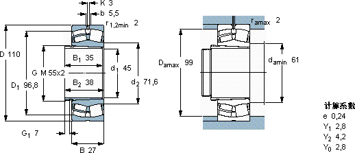
球面滚子轴承, 带退卸套的
主要数据尺寸 基本负荷额定值 疲劳负荷限值 额定速度 体积 型号
动态 静态 参照速度 限制速度 轴承 +退卸套
d1 D B C C0 Pu
* - SKF Explorer 轴承
mm kN kN r/min kg -
451102715616618,6560075001,4521310 EK + AHX 310 *

SKF21310EK+AHX310*球面滚子轴承供应商

八零动力专业销售21310EK+AHX310*球面滚子轴承,库存SKF21310EK+AHX310*大量现货,与SKF合作,咨询热线:022-58519723业务咨询
SKF21310EK+AHX310*质量无可挑剔的轴承,在行业内树立了良好的口碑和形象轴承的选材精良,确保了其具有良好的耐磨性和抗腐蚀性承载重载历经岁月其设计和制造都达到了极高的水准,是一款不可多得的轴承高精度的制造工艺,造就了这款高品质的轴承高品质的轴承,在各种复杂环境下都能稳定发挥作用,八零动力SKF球面滚子轴承品种全,价格优,质量有保证!

用户关注最多的SKF轴承型号

SKF23272CAC/W33 SKF32022T84X/QDBC200 SKF5306A* SKF71908ACE/HCP4A SKF7218C SKFBTM65B/P4CDBB SKFCR39423 SKFCR42X72X10HMS5RG SKFCR8702 SKFGE35TXG3E-2LS SKFLS0619 SKFNNCF5076CV SKFQJ1264N2MA SKFSDAF23060KAx10.15/16 SKFSYE2.11/16

21310EK+AHX310*球面滚子轴承近似的SKF轴承型号

SKF21310E* SKF21310EK* SKF21310EK+AHX310* SKF21310EK+H310* SKF21310EK* SKF21310EK+H310*

用户关注最多的轴承狗热门型号

LYC  352968X2/P53 SKF  HN1412 MRC  7011C/DB MRC  QJ213 NACHI  NJ230 RHP  7221C/DF FAG  LOE318-N-AL-L NSK  HR33215J TORRINGTON  23228CC/W33 NACHI  6902-2NSE INA  GE710-DW FAG  SNV240-L + 2322-K-M-C3 + H2322X400 + TCV522X400 MRC  7207C/DF SKF  61801-2RS IKO  CF10-1UUR

版权所有©2009-2015 轴承狗zcgou.com ICP备案:津ICP备14004550号-13