SKF206NR轴承详细参数

发布时间:2026-04-15
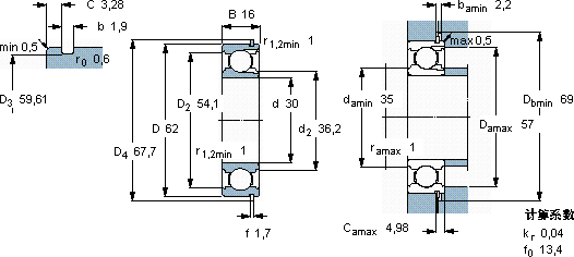
深沟球轴承, 单列,带装球缺口和止动环槽, 无密封件
主要数据尺寸 基本负荷额定值 疲劳负荷限值 额定速度 体积 型号
动态 静态 参照速度 限制速度 轴承,带止动环 止动环
d D B C C0 Pu
mm kN kN r/min kg -
30621622,917,30,73520000120000,21206 NRSP 62

SKF206NR深沟球轴承供应商

八零动力专业销售206NR深沟球轴承,库存SKF206NR大量现货,与SKF合作,咨询热线:022-58519723业务咨询
SKF206NR它的精密设计,展现了人类智慧的巅峰 它的轴向跳动控制,确保了机械的平稳运行 转动精彩出色的性能表现,让这款轴承成为行业内的明星产品,制造工艺精湛,使得这款轴承的精度和稳定性都非常出色它的抗疲劳性能,确保了长期使用的可靠性 ,八零动力SKF深沟球轴承品种全,价格优,质量有保证!

用户关注最多的SKF轴承型号

SKF332096E/C725* SKF61805-2RZ SKF7014ACE/HCP4A SKF71919CD/HCP4A SKF7303B/DB SKFBTM80A/HCP4CDBA SKFC39/850KM+OH39/850HE* SKFCR19612 SKFCR419503 SKFFYR2.11/16-18 SKFGS89418 SKFHMV30E SKFNJ2214ECP SKFNJ2220ECM* SKFNK70/35

206NR深沟球轴承近似的SKF轴承型号

SKF6206ETN9 SKF6206-ZN SKF6206-2Z* SKF6206-RS SKF6206-Z* SKF4206ATN9 SKFW6206-2Z SKF6206-RZ* SKF206NR SKF6206-2RS SKF206-ZNR SKF207

用户关注最多的轴承狗热门型号

INA  LTS50-Tr32x6 TIMKEN  K28X34X20H FAG  B7006-E-2RSD-T-P4S SKF  22314CC/W33 NSK  NF312 -  7324AC SKF  N318ECP LYC  7024 ACT/P4 DB SKF  W638/5-2Z SKF  CR17415 LYC  EE 323166D/323290 TIMKEN  5313W RHP  NU210 RHP  7218AC TIMKEN  48286/48220DC/X1S-48286

版权所有©2009-2015 轴承狗zcgou.com ICP备案:津ICP备14004550号-13