SKFBTW150CM/SP轴承详细参数

发布时间:2026-04-15
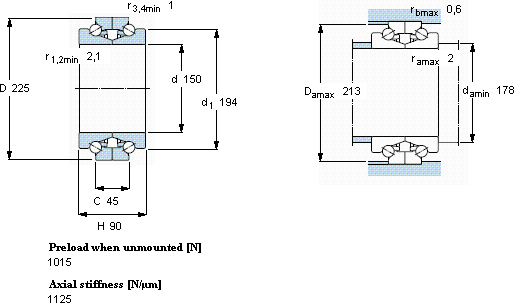
主要数据尺寸 基本负荷额定值 疲劳负荷限值 可达到的速度 体积 型号
动态 静态 疲劳负荷限值 当润滑与
疲劳负荷限值 油脂 滴油润滑
d D H C C C0 Pu
mm kN kN r/min kg -
150225904512744015,33000360010,5BTW 150 CM/SP

SKFBTW150CM/SP双向角接触推力球轴承BTW系列供应商

八零动力专业销售BTW150CM/SP双向角接触推力球轴承BTW系列,库存SKFBTW150CM/SP大量现货,与SKF合作,咨询热线:022-58519723业务咨询
SKFBTW150CM/SP它在医疗设备中的应用,确保了设备的稳定性 是您机械世界里的不败功臣,以精湛工艺卓越的设计和可靠的性能,是这款轴承的两大亮点它的可回收性,体现了环保理念 它的精密设计,展现了人类智慧的巅峰 ,八零动力SKF双向角接触推力球轴承BTW系列品种全,价格优,质量有保证!

用户关注最多的SKF轴承型号

SKF23140CCK/W33+H3140* SKF30303 SKF4208ATN9 SKF6208NR* SKF7208CD/P4A SKF70/560AMB SKFCR17653 SKFCR36186 SKFCR6316 SKFNKX50 SKFS7010ACD/HCP4A SKFSAF22524x4.1/8 SKFSONL220-520 SKFYEL206-104-2F SKFZW50x62

BTW150CM/SP双向角接触推力球轴承BTW系列近似的SKF轴承型号

SKFBTW150CM/SP SKFBTW140CM/SP SKFBTW160CM/SP

用户关注最多的轴承狗热门型号

INA  KWVE55-B-KT FAG  B71921-C-T-P4S NACHI  5219NR KOYO  23334 SKF  CR14X24X7HMS5V SKF  102 ZKL  32207 SKF  SYR3.1/2H-18 NACHI  6201ZZE BARDEN  7234C/DT LYC  22312 CA KOYO  6009-2RZ SKF  71916DB/P7 SNR  7314B/DF 国产  UCFLU217

版权所有©2009-2015 轴承狗zcgou.com ICP备案:津ICP备14004550号-13