SKF6206*轴承详细参数

发布时间:2026-04-06
深沟球轴承, 单列, 无密封件
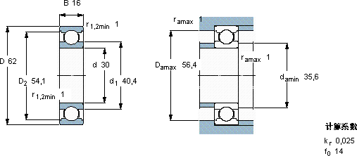
主要数据尺寸 基本负荷额定值 疲劳负荷限值 额定速度 体积 型号
动态 静态 参照速度 限制速度
d D B C C0 Pu * - SKF Explorer 轴承
mm kN kN r/min kg -
30621620,311,20,47524000150000,206206 *

SKF6206*深沟球轴承供应商

八零动力专业销售6206*深沟球轴承,库存SKF6206*大量现货,与SKF合作,咨询热线:022-58519723业务咨询
SKF6206*先进的制造技术和严格的质量检测,造就了这款优质轴承它的润滑技术,让摩擦降至最低 设计独特、性能优越的轴承,满足了不同用户的需求它在汽车工业中的应用,让车辆运行更加平稳 它的可靠性,赢得了无数工程师的信任 设计合理、性能优良的轴承,是机械设备的理想之选,八零动力SKF深沟球轴承品种全,价格优,质量有保证!

用户关注最多的SKF轴承型号

SKF6208/HR11QN SKF7222AC/DB SKFBC4B320612 SKFC7014DB/P7 SKFCR17544 SKFCR13937 SKFCR23725 SKFCR37341 SKFEE649239/649310 SKFHE3032 SKFNNU41/900K30M/W33 SKFNU2076ECMA SKFPCZ8048B SKFQJ238N2MA SKFSYR2.15/16-3

6206*深沟球轴承近似的SKF轴承型号

SKF6206-2RZ* SKF6206/VA201 SKF6206-RS SKFW6206-2Z SKF6206-2ZNR* SKF6206* SKF6206-2RS SKF6206NR* SKF6206-2ZN SKFW6206-2RS1 SKF6205/VA201 SKF6206-2RS

用户关注最多的轴承狗热门型号

LYC  239/710 /C4W33X LYC  23044/C3W33 BARDEN  7217C GMN  7202C/DF KOYO  22230RHR TIMKEN  7216WN SKF  PCMF202311.5B SKF  16003/HR22T2 TIMKEN  200K 国产  24060CA/W33 SKF  SYNT75F SKF  7213BECBP LYC  NP 079082/M 241510 NSK  NUP220W Stieber  CSK40P

版权所有©2009-2015 轴承狗zcgou.com ICP备案:津ICP备14004550号-13