SKF1311EKTN9+H311轴承详细参数

发布时间:2026-05-30
自调心球轴承, 带紧定套, 无密封件
主要数据尺寸 基本负荷额定值 疲劳负荷限值 额定速度 体积 型号
动态 静态 参照速度 限制速度 轴承 + 紧定套
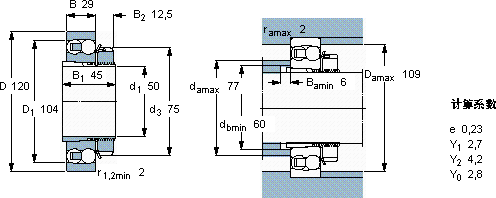
d1 D B C C0 Pu
mm kN kN r/min kg -
501202950,7180,921100075001,901311 EKTN9 + H 311

SKF1311EKTN9+H311自调心球轴承供应商

八零动力专业销售1311EKTN9+H311自调心球轴承,库存SKF1311EKTN9+H311大量现货,与SKF合作,咨询热线:022-58519723业务咨询
SKF1311EKTN9+H311匠心制造它的抗压强度,让它承载能力惊人 它的径向跳动控制,达到了行业顶尖水平 高精度与高可靠性的完美结合,成就了这款杰出的轴承它在包装机械中的应用,确保了设备的高效率 它的长寿命,减少了资源浪费 ,八零动力SKF自调心球轴承品种全,价格优,质量有保证!

用户关注最多的SKF轴承型号

SKF239/670CAK/W33+OH39/670H* SKF722517B SKFCR14867 SKFCR16384 SKFCR17315 SKFCR178X215X16CRSH11R SKFCR52x68x13.5CRSA1R SKFCR99393 SKFHM903249/2/210/QCL7C SKFNJ2208ECP* SKFNKI90/36 SKFP52R-20WF SKFQJ336N2MA* SKFSIL30ES SKFVJ-PDNB311

1311EKTN9+H311自调心球轴承近似的SKF轴承型号

SKF1311ETN9 SKF1311EKTN9+H311 SKF1311EKTN9 SKF1311EKTN9 SKF1311ETN9

用户关注最多的轴承狗热门型号

SKF  NN3034/SPW33 NACHI  63/22NSE TORRINGTON  23180CAC/W33 STEYR  51226 国产  UELK207 NSK  7913A5TY NSK  2312 NTN  UKK312+H2312 国产  NJ32232X2WB1Q1/S0 SNR  7202B/DB 国产  629/9-Z 国产  61907NR IKO  AS5578 Stieber  NFR20 IKO  LRB162016

版权所有©2009-2015 轴承狗zcgou.com ICP备案:津ICP备14004550号-13