SKF21313EK+H313*轴承详细参数

发布时间:2026-04-14
球面滚子轴承, 带紧定套的
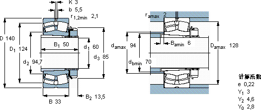
主要数据尺寸 基本负荷额定值 疲劳负荷限值 额定速度 体积 型号
动态 静态 参照速度 限制速度 轴承 + 紧定套
d1 D B C C0 Pu
* - SKF Explorer 轴承
mm kN kN r/min kg -
601403323627029430060002,9021313 EK + H 313 *

SKF21313EK+H313*球面滚子轴承供应商

八零动力专业销售21313EK+H313*球面滚子轴承,库存SKF21313EK+H313*大量现货,与SKF合作,咨询热线:022-58519723业务咨询
SKF21313EK+H313*它的表面硬化处理,延长了它的使用寿命 为您的工程保驾护航,成就非凡转动体验让您的设备一顺到底,它在医疗设备中的应用,确保了设备的稳定性 该轴承的性能卓越,完全满足了各种严苛工况的需求该轴承的性能优越,极大地提高了设备的工作效率,八零动力SKF球面滚子轴承品种全,价格优,质量有保证!

用户关注最多的SKF轴承型号

SKF23052CCK/W33+OH3052H* SKF23130CC/W33* SKF234411B SKF6200-RZ SKF6205-RSL* SKF71911ACD/HCP4A SKFAOH24092 SKFCR10740 SKFCR1600556 SKFCR82510 SKFKR35PPA SKFNU29/1180ECMA/HA1 SKFNU10/600MA SKFRNA4905RS SKFWS81168

21313EK+H313*球面滚子轴承近似的SKF轴承型号

SKF21313E* SKF21313EK+AH313G* SKF21313EK+H313* SKF21313EK* SKF21313EK+AH313G* SKF21314CC

用户关注最多的轴承狗热门型号

STEYR  32022 INA  ZKLF3080-2RS-PE TIMKEN  T811 SKF  PCM19019560M NTN  NN3014 TIMKEN  EE275105/275161D/X2S-275105 NTN  N236 FAG  LOE520-N-BL-L NTN  6203-2ZN FAG  SNV215-L + 22224-E1 + DH224 NSK  HR32909J SKF  CR23782 MAC  N214 IKO  CFE18 IKO  NA4903UU

版权所有©2009-2015 轴承狗zcgou.com ICP备案:津ICP备14004550号-13