SKF1311EKTN9轴承详细参数

发布时间:2026-05-29
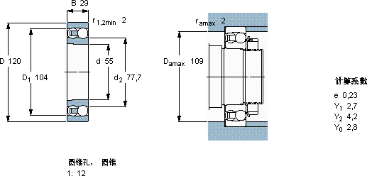
自调心球轴承, 圆柱孔和圆锥孔, 圆锥型内孔, 无密封件
主要数据尺寸 基本负荷额定值 疲劳负荷限值 额定速度 体积 型号
动态 静态 参照速度 限制速度
d D B C C0 Pu
mm kN kN r/min kg -
551202950,7180,921100075001,601311 EKTN9

SKF1311EKTN9自调心球轴承供应商

八零动力专业销售1311EKTN9自调心球轴承,库存SKF1311EKTN9大量现货,与SKF合作,咨询热线:022-58519723业务咨询
SKF1311EKTN9这款轴承的运转十分平稳,几乎感受不到任何震动高品质的轴承,在各种复杂工况下都能展现出卓越的性能表现它的耐腐蚀性,让它经久不衰 它的静音设计,让机械运转如丝般顺滑 它的可回收性,减少了废弃物处理成本 它的加工设备,代表了世界领先水平 ,八零动力SKF自调心球轴承品种全,价格优,质量有保证!

用户关注最多的SKF轴承型号

SKF23096CAK/W33+AOHX3096G* SKF23130CCK/33+H3130 SKF23228CCK/W33* SKF31313J2/QCL7C SKF7030C SKFBK1010 SKFBT2B332618A SKFBT4-8064G/HA1VA901 SKFCR1250118 SKFCR210x250x20HDS1V SKFCR70X92X12HMSA10V SKFIR360x390x80 SKFNU2219ECM* SKFPCM556050E SKFSNL3048G

1311EKTN9自调心球轴承近似的SKF轴承型号

SKF1311ETN9 SKF1311EKTN9 SKF1311EKTN9+H311 SKF1311K+H311 SKF1311EKTN9+H311

用户关注最多的轴承狗热门型号

SKF  81112TN INA  LFZ40x115-A1 SKF  CR17653 SKF  CR13568 KOYO  6019-2Z SKF  1218K SKF  N316ECP NSK  7926CTYNP5 SKF  6316-RS SKF  S7014DB/P7 SKF  PCM283230M SKF  SNW30x5.1/4 LYC  NJ 2311 M/C5 TIMKEN  66187/66462D/X1S-66187 NTN  7318AC/DT

版权所有©2009-2015 轴承狗zcgou.com ICP备案:津ICP备14004550号-13