SKF1204EKTN9+H204轴承详细参数

发布时间:2026-05-30
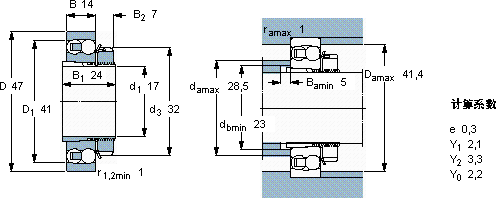
自调心球轴承, 带紧定套, 无密封件
主要数据尺寸 基本负荷额定值 疲劳负荷限值 额定速度 体积 型号
动态 静态 参照速度 限制速度 轴承 + 紧定套
d1 D B C C0 Pu
mm kN kN r/min kg -
17471412,73,40,1832000200000,161204 EKTN9 + H 204

SKF1204EKTN9+H204自调心球轴承供应商

八零动力专业销售1204EKTN9+H204自调心球轴承,库存SKF1204EKTN9+H204大量现货,与SKF合作,咨询热线:022-58519723业务咨询
SKF1204EKTN9+H204轴承的稳定性和可靠性都十分出色,赢得了用户的信赖这轴承的精度控制令人佩服,为设备的精准运行提供了保障承载未来从制造工艺到实际性能,这款轴承都表现得十分出色,轴承的选材优质,确保了其在各种环境下都能稳定工作顺滑无声,八零动力SKF自调心球轴承品种全,价格优,质量有保证!

用户关注最多的SKF轴承型号

SKF24080ECCK30J/W33* SKF24084CAC/W33 SKF30217 SKF625/HR11QN SKF7014CD/P4A SKF7207B/DT SKFAOH24056G SKFC3068M* SKFCR84576 SKFFYC55FM SKFGE120TXG3A-2LS SKFHM88542/510/Q SKFNNCF5026CV SKFPFD1.1/2TR SKFSTO12

1204EKTN9+H204自调心球轴承近似的SKF轴承型号

SKF1204EKTN9+H204 SKF11204ETN9 SKF1204EKTN9 SKF1204ETN9 SKF1204EKTN9 SKF1204ETN9

用户关注最多的轴承狗热门型号

NTN  6314-RZ STEYR  7228B/DT TIMKEN  HM926747/HM926710D/HM926747XC NACHI  02872/02820 SKF  CR25X42X7HMSA10RG SKF  GEZ300ES-2RS INA  RSRA15-90-L0 国产  6307-2RS/Z2 FAG  BND3024-Z-Y-BL-S SKF  NU2210E SKF  SYR2.3/16-18 SKF  CR38x80x8CRW1R FAG  HC71921-C-T-P4S IKO  LRXDC15...SL IKO  ST101930

版权所有©2009-2015 轴承狗zcgou.com ICP备案:津ICP备14004550号-13