SKF1204EKTN9轴承详细参数

发布时间:2026-05-29
自调心球轴承, 圆柱孔和圆锥孔, 圆锥型内孔, 无密封件
主要数据尺寸 基本负荷额定值 疲劳负荷限值 额定速度 体积 型号
动态 静态 参照速度 限制速度
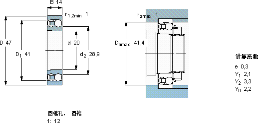
d D B C C0 Pu
mm kN kN r/min kg -
20471412,73,40,1832000200000,121204 EKTN9

SKF1204EKTN9自调心球轴承供应商

八零动力专业销售1204EKTN9自调心球轴承,库存SKF1204EKTN9大量现货,与SKF合作,咨询热线:022-58519723业务咨询
SKF1204EKTN9先进的生产工艺,让这款轴承的性能得到了极大提升出色的性能表现,让这款轴承成为行业内的明星产品,它的静音设计,让机械运转如丝般顺滑 高精度的制造工艺,让这款轴承的性能更加出色它的轻量化设计,减少了材料的使用 制造工艺精湛,使得这款轴承的精度、稳定性和耐用性都非常出色,八零动力SKF自调心球轴承品种全,价格优,质量有保证!

用户关注最多的SKF轴承型号

SKF24144CC/W33 SKF61812 SKF6207NR* SKF812/600M SKF812/710M SKFCR32395 SKFCR4355 SKFCR595636 SKFNCF2917CV SKFNNU4984BK/SPW33 SKFOKCX100 SKFRLS8-2RS1 SKFSAF22338 SKFSYE3.1/2N-118 SKFZ208

1204EKTN9自调心球轴承近似的SKF轴承型号

SKF1204ETN9 SKF1204EKTN9 SKF11204ETN9 SKF1204EKTN9+H204 SKF1204K+H204 SKF1204EKTN9+H204

用户关注最多的轴承狗热门型号

KOYO  7409BDF FAG  SNV120-L + 1213-K-TVH-C3 + H213X204 + TSV513X204 DKF  7014AC/DB SKF  C4124K30V+AH24124* TORRINGTON  23256CAC/W33 国产  RNU218 STEYR  6304-Z NSK  HR32315J FAG  23138-E1A-M SKF  CR6130 SNR  51132 SKF  211-2Z TORRINGTON&FAFNIR  7230B NACHI  7028CDB SKF  2206E-2RS1TN9

版权所有©2009-2015 轴承狗zcgou.com ICP备案:津ICP备14004550号-13