SKF11204ETN9轴承详细参数

发布时间:2026-05-29
自调心球轴承, 圆柱孔和圆锥孔, 宽内圈
主要数据尺寸 基本负荷额定值 疲劳负荷限值 额定速度 体积 型号
动态 静态 参照速度 限制速度
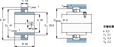
d D B C C0 Pu
mm kN kN r/min kg -
20474012,73,40,18-90000,1811204 ETN9

SKF11204ETN9自调心球轴承供应商

八零动力专业销售11204ETN9自调心球轴承,库存SKF11204ETN9大量现货,与SKF合作,咨询热线:022-58519723业务咨询
SKF11204ETN9为您的设备保驾护航,让机械运转无忧它在建筑机械中的应用,确保了设备的可靠性 它的抗疲劳性能,确保了长期使用的可靠性 它的几何精度,让机械运转分毫不差 它在航空航天领域的应用,展现了它的高可靠性 它在矿山设备中的应用,确保了设备的高负载能力 ,八零动力SKF自调心球轴承品种全,价格优,质量有保证!

用户关注最多的SKF轴承型号

SKF23052CCK/W33+OH3052H* SKF30234J2 SKF30352J2 SKF33216/Q SKF7205AC/DF SKFAOH3068G SKFCR20118 SKFCR52X72X8HMS5V SKFCR65X95X10HMSA10RG SKFCR9822 SKFFSNL320TURU SKFN317ECM* SKFNU208ECKP* SKFSNL3052/9.7/16TURT SKFYEL206-2F

11204ETN9自调心球轴承近似的SKF轴承型号

SKF11204ETN9 SKF11204ETN9 SKF11205ETN9

用户关注最多的轴承狗热门型号

SKF  NCF18/900V FAG  BND3126-Z-Y-BL-S SKF  OH3152HTL MRC  3219 RHP  7232C/DF SKF  N216ECP INA  RMWE9A-RB/19x../6 SKF  CR21048 SKF  32922X/Q NTN  29430 TIMKEN  595A/592D SKF  CR1400580 TIMKEN  SDAF22224 SKF  T2ED050/Q IKO  LWESG20...SL

版权所有©2009-2015 轴承狗zcgou.com ICP备案:津ICP备14004550号-13