INA MKUVE20-KGT10直线执行器尺寸图纸

MKUVE..-KGT系列带有四排球的滑块的直线导引系统

目录

INA MKUVE20-KGT10轴承基本参数

INA直线执行器 MKUVE20-KGT10, 带有四排球的滑块
压缩载荷拉伸载荷对所有轴的力矩脂润滑
INA直线执行器 MKUVE20-KGT10, 带有四排球的滑块
INA直线执行器 MKUVE20-KGT10, 带有四排球的滑块
INA直线执行器 MKUVE20-KGT10, 带有四排球的滑块
INA直线执行器 MKUVE20-KGT10, 带有四排球的滑块
INA直线执行器 MKUVE20-KGT10, 带有四排球的滑块
INA直线执行器 MKUVE20-KGT10, 带有四排球的滑块
INA直线执行器 MKUVE20-KGT10, 带有四排球的滑块
 
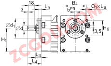
H110 mm  
B86 mm  
L200 mm  
 
1) DIN 3405-AM6 标准的漏斗型润滑油嘴
2) 长度计算:
L2 = 总行程 x 1.17 + L + 25
L tot = 总行程 x 1.17 + L + 81
总行程(GH) = 有效行程 + 2 x S(mm)

注意:允差 S 标示了适于特殊应用的安全范围值且该数值至少与主轴节距尺寸 Pz 相当;总行程 mm。

支撑导轨的最大长度为 L2 = 5300 mm。 全行程长度超过 1,000 mm 的执行器能与可移动的主轴支撑配合 (后缀为 SPU 或 2SPU)。
B140 mm  
B240 mm  
B388 mm  
B468 mm  
d13 mm 直径公差:h6
d160 mm 直径公差:g6
H171 mm  
H2109 mm  
H320 mm  
H460 mm  
H590 mm  
H646 mm  
H712 mm  
L319 mm  
L442 mm  
L58 mm  
L615 mm  
L728 mm  
L828 mm  
O1M6  
 
mLaw2,2 kg 滑块的质量
mtot(Ltot - 56) x 0,0105 + 6,5 kg  
do x Pz20 x 10 带螺纹的主轴:
do x Pz = 名义主轴直径 x 主轴节圆
M0x664 Nm 滑块导向系统的许用静扭矩:
这些数值是单一载荷,当执行器的下部完全被支撑时使用。
当承受联合载荷时,这些值必须减小。
关于直线引导系统的设计标准,见PF1样本,单轨导向系统。
M0y1000 Nm 滑块导向系统的许用静扭矩:
这些数值是单一载荷,当执行器的下部完全被支撑时使用。
当承受联合载荷时,这些值必须减小。
关于直线引导系统的设计标准,见PF1样本,单轨导向系统。
M0z1200 Nm 滑块导向系统的许用静扭矩:
这些数值是单一载荷,当执行器的下部完全被支撑时使用。
当承受联合载荷时,这些值必须减小。
关于直线引导系统的设计标准,见PF1样本,单轨导向系统。
C0a28 kN 主轴配置轴承:
此数值只适用于 Lh 寿命的计算。
基本额定轴向载荷 = 定位轴承的设计标准,见样本 HR1, 滚动轴承
Ca17,9 kN 主轴配置轴承:
此数值只适用于 Lh 寿命的计算。
基本额定轴向载荷 = 定位轴承的设计标准,见样本 HR1, 滚动轴承
ly281 cm^4 支撑轨的几何转动惯量
lz219 cm^4 支撑轨的几何转动惯量
C21,3 kN 滚轮导轨系统的基本额定载荷
此数值只适用于 Lh 寿命的计算。
C054 kN 滚轮导轨系统的基本额定载荷
此数值只适用于 Lh 寿命的计算。
 F/FM 主轴螺母:
F = 单个螺母
FM = 加预负荷的双螺母
CI11,9 kN 主轴螺母的基本额定载荷
此数值只适用于 Lh 寿命的计算。
F = 单个螺母
FM = 加预负荷的双螺母

按DIN 69051的基本额定静载荷 C 和 C0 。由于统一了的计算方法,C 和 C0 的数值会与以往按DIN 69051的结果有所不同。
C0 I17,6 kN 主轴螺母的基本额定载荷
此数值只适用于 Lh 寿命的计算。
F = 单个螺母
FM = 加预负荷的双螺母

按DIN 69051的基本额定静载荷 C 和 C0 。由于统一了的计算方法,C 和 C0 的数值会与以往按DIN 69051的结果有所不同。

INA MKUVE20-KGT10轴承供货商

八零动力专业销售德国INAMKUVE20-KGT10直线执行器,库存德国INAMKUVE20-KGT10直线执行器大量现货,与厂家常年批量订购MKUVE20-KGT10轴承,咨询热线:022-58519723业务咨询

INAMKUVE20-KGT10,我选八零动力,品种全,价格优,质量有保证!大客户热线:022-58519722

其他品牌MKUVE20-KGT10轴承同类可代替型号

MKUVE20-KGT10这轴承的稳定性极佳,即使在恶劣环境下也能正常工作轴承的稳定性和可靠性表现出色,赢得了用户的高度认可它在医疗设备中的应用,确保了设备的稳定性 它的高效率,让机械运转更加节能 性能卓越的它,为机械设备的稳定运行提供了可靠保障它的抗氧化性能,延长了它的使用寿命 它的圆度误差几乎可以忽略不计 机械的心脏MKUVE20-KGT10

INA MKUVE20-KGT10轴承近似型号

INAMKUVE20-KGT05 INAMKUVE20-KGT20 INA MLF32086-300-ZR INA MKUVE20-KGT20 INA MLFI20-ZR INA MKUVE20-KGT10 INA MKUSE25-KGT20 INA MKKUSE20-ZR INA MKUE-25-KGT20 INA MLF32086-ZR INA MKUVE20-B-ZR INA MKLF32086-ZR

热门点击型号

FAG SD540-N-FZ-BF-L+22240-B-K-MB FAG SNV140-L+21313-E1-K+H313X206+TCV613 FAG SNV125-L+22214-E1+DH214 FAG SNV320-L+22330-E1-K+H2330X503+TCV530X503 FAG SNV120-L+22311-E1+DH311 FAG SNV200-L+21319-E1-K-TVPB+H319+DHV519 INA GE100-AW INA G35X42X4 INA LR5203-X-2Z FAG NN3048-AS-K-M-SP NSKNJ411 SKFW6002-2RS1 TORRINGTON FAFNIR6213-RS SKFT2ED055/QCLN BARDEN7010AC/DB NACHI7200CDT SKFNNC4844CV TIMKEN5316W ASAHIUCK324 INANA4832

版权所有©2010-2017 轴承狗zcgou.com 上次更新:2026-05-30