INA MKUVE20-KGT50直线执行器尺寸图纸

MKUVE..-KGT系列带有四排球的滑块的直线导引系统

目录

INA MKUVE20-KGT50轴承基本参数

INA直线执行器 MKUVE20-KGT50, 带有四排球的滑块
压缩载荷拉伸载荷对所有轴的力矩脂润滑
INA直线执行器 MKUVE20-KGT50, 带有四排球的滑块
INA直线执行器 MKUVE20-KGT50, 带有四排球的滑块
INA直线执行器 MKUVE20-KGT50, 带有四排球的滑块
INA直线执行器 MKUVE20-KGT50, 带有四排球的滑块
INA直线执行器 MKUVE20-KGT50, 带有四排球的滑块
INA直线执行器 MKUVE20-KGT50, 带有四排球的滑块
INA直线执行器 MKUVE20-KGT50, 带有四排球的滑块
 
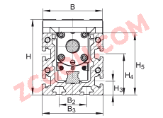
H110 mm  
B86 mm  
L200 mm  
 
1) DIN 3405-AM6 标准的漏斗型润滑油嘴
2) 长度计算:
L2 = 总行程 x 1.17 + L + 25
L tot = 总行程 x 1.17 + L + 81
总行程(GH) = 有效行程 + 2 x S(mm)

注意:允差 S 标示了适于特殊应用的安全范围值且该数值至少与主轴节距尺寸 Pz 相当;总行程 mm。

支撑导轨的最大长度为 L2 = 5300 mm。 全行程长度超过 1,000 mm 的执行器能与可移动的主轴支撑配合 (后缀为 SPU 或 2SPU)。
B140 mm  
B240 mm  
B388 mm  
B468 mm  
d13 mm 直径公差:h6
d160 mm 直径公差:g6
H171 mm  
H2109 mm  
H320 mm  
H460 mm  
H590 mm  
H646 mm  
H712 mm  
L319 mm  
L442 mm  
L58 mm  
L615 mm  
L728 mm  
L828 mm  
O1M6  
 
mLaw2,2 kg 滑块的质量
mtot(Ltot - 56) x 0,0105 + 6,5 kg  
do x Pz20 x 50 带螺纹的主轴:
do x Pz = 名义主轴直径 x 主轴节圆
M0x664 Nm 滑块导向系统的许用静扭矩:
这些数值是单一载荷,当执行器的下部完全被支撑时使用。
当承受联合载荷时,这些值必须减小。
关于直线引导系统的设计标准,见PF1样本,单轨导向系统。
M0y1000 Nm 滑块导向系统的许用静扭矩:
这些数值是单一载荷,当执行器的下部完全被支撑时使用。
当承受联合载荷时,这些值必须减小。
关于直线引导系统的设计标准,见PF1样本,单轨导向系统。
M0z1200 Nm 滑块导向系统的许用静扭矩:
这些数值是单一载荷,当执行器的下部完全被支撑时使用。
当承受联合载荷时,这些值必须减小。
关于直线引导系统的设计标准,见PF1样本,单轨导向系统。
C0a28 kN 主轴配置轴承:
此数值只适用于 Lh 寿命的计算。
基本额定轴向载荷 = 定位轴承的设计标准,见样本 HR1, 滚动轴承
Ca17,9 kN 主轴配置轴承:
此数值只适用于 Lh 寿命的计算。
基本额定轴向载荷 = 定位轴承的设计标准,见样本 HR1, 滚动轴承
ly281 cm^4 支撑轨的几何转动惯量
lz219 cm^4 支撑轨的几何转动惯量
C21,3 kN 滚轮导轨系统的基本额定载荷
此数值只适用于 Lh 寿命的计算。
C054 kN 滚轮导轨系统的基本额定载荷
此数值只适用于 Lh 寿命的计算。
 主轴螺母:
F = 单个螺母
FM = 加预负荷的双螺母
CI13 kN 主轴螺母的基本额定载荷
此数值只适用于 Lh 寿命的计算。
F = 单个螺母
FM = 加预负荷的双螺母

按DIN 69051的基本额定静载荷 C 和 C0 。由于统一了的计算方法,C 和 C0 的数值会与以往按DIN 69051的结果有所不同。
C0 I24,6 kN 主轴螺母的基本额定载荷
此数值只适用于 Lh 寿命的计算。
F = 单个螺母
FM = 加预负荷的双螺母

按DIN 69051的基本额定静载荷 C 和 C0 。由于统一了的计算方法,C 和 C0 的数值会与以往按DIN 69051的结果有所不同。

INA MKUVE20-KGT50轴承供货商

八零动力专业销售德国INAMKUVE20-KGT50直线执行器,库存德国INAMKUVE20-KGT50直线执行器大量现货,与厂家常年批量订购MKUVE20-KGT50轴承,咨询热线:022-58519723业务咨询

INAMKUVE20-KGT50,我选八零动力,品种全,价格优,质量有保证!大客户热线:022-58519722

其他品牌MKUVE20-KGT50轴承同类可代替型号

MKUVE20-KGT50优秀的轴承,就像精密仪器的心脏,确保着整个系统的高效运转承载未来它在风力发电中的应用,为清洁能源贡献力量 它的每一次转动,都是对效率的极致追求 它的故障率极低,确保了设备的稳定运行 让工作更高效,性能卓越的它,为机械设备的稳定运行提供了可靠保障它的润滑技术,减少了润滑剂的使用 MKUVE20-KGT50

INA MKUVE20-KGT50轴承近似型号

INAMKUVE20-KGT20 INAMKUVS42-LM-ADA-KT-STOD INA MLFI200-3ZR INA MLF32086-300-ZR INA MKKUSE20-ZR INA MKUVE20-B-ZR INA MKUSE25-KGT20 INA MKUVE20-KGT50 INA MKUE-25-KGT20 INA MKUVE20-KGT10 INA MLFI20-ZR INA MKLF32086-ZR

热门点击型号

INA PCJY15 FAG S3052-H-N-FZ-AF-L+230SM240-MA INA SL182920 FAG SNV120-L+20213-K-TVP-C3+H213+TCV513 FAG SD3156-H-TS-AL-L+231SM260-MA FAG SNV100-L+1309-K-TVH-C3+H309+DH609 FAG 22309-E1 FAG 61884-M FAG BND3164-H-W-T-BF-S FAG H3360-HG SKFNJ306ECM* NACHI22212EX SKFCR22440 NACHINU260 SKF53420U SKFCR17395 INANK9/12-TV 国产7005CETA NACHI53414 国产RNA5011X2A

版权所有©2010-2017 轴承狗zcgou.com 上次更新:2026-04-29