INA KGSNOS40-PP-AS直线球轴承及轴承座单元尺寸图纸

KGSNOS..-PP-AS系列自调心直线球轴承,开式带槽设计,密封,脂润滑,带再润滑设施的直线导引系统

目录

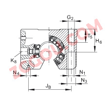
INA KGSNOS40-PP-AS轴承基本参数

INA直线球轴承及轴承座单元 KGSNOS40-PP-AS, 自调心直线球轴承,开式带槽设计,密封,脂润滑,带再润滑设施
压缩载荷拉伸载荷全部密封脂润滑油润滑
INA直线球轴承及轴承座单元 KGSNOS40-PP-AS, 自调心直线球轴承,开式带槽设计,密封,脂润滑,带再润滑设施
INA直线球轴承及轴承座单元 KGSNOS40-PP-AS, 自调心直线球轴承,开式带槽设计,密封,脂润滑,带再润滑设施
INA直线球轴承及轴承座单元 KGSNOS40-PP-AS, 自调心直线球轴承,开式带槽设计,密封,脂润滑,带再润滑设施
INA直线球轴承及轴承座单元 KGSNOS40-PP-AS, 自调心直线球轴承,开式带槽设计,密封,脂润滑,带再润滑设施
 
Fw40 mm  
B108 mm  
L80 mm  
H77 mm  
 
 球的列数
1) 主载荷方向
A554 mm 公差: +/-0,01
B218,2 mm 和直径 Fw 有关的尺寸 B2
G2M12  
H245 mm 公差: +0,008 / -0,016
H512,4 mm  
H644 mm  
JB86 mm 公差: +/-0,15
JL58 mm 公差: +/-0,15

尺寸 JL 在轴承长度 L 上是对称的。
K5M10 根据 ISO 4762-8.8 标准的固定螺钉
如果有调节螺钉,应有螺钉防松措施。
K8NIP5MZ 润滑嘴
润滑孔在轴承长度 L 上是对称的。
N110,5 mm  
N318 mm  
N43,15X6,7 mm 中心孔,A 型,根据 DIN 332
T526 mm  
W4 mm  
α56 °  
 
m1400 g 质量
  在主载荷方向的基本额定载荷

基本额定载荷仅适用于淬硬(670+170 HV)及磨削过的作为滚道的轴。
Cmax10200 N 基本额定动载荷
C0 max9600 N 基本额定静载荷

INA KGSNOS40-PP-AS轴承供货商

八零动力专业销售德国INAKGSNOS40-PP-AS直线球轴承及轴承座单元,库存德国INAKGSNOS40-PP-AS直线球轴承及轴承座单元大量现货,与厂家常年批量订购KGSNOS40-PP-AS轴承,咨询热线:022-58519723业务咨询

INAKGSNOS40-PP-AS,我选八零动力,品种全,价格优,质量有保证!大客户热线:022-58519722

其他品牌KGSNOS40-PP-AS轴承同类可代替型号

KGSNOS40-PP-AS品质卓越的它,在各种工况下都能展现出优异的性能我们的轴承卓越的性能这款轴承的性能卓越,有效提升了设备的整体性能和可靠性它的耐用性,赢得了无数用户的信赖 制造工艺精湛,使得这款轴承的精度和稳定性都非常出色高精度的轴承,为设备的稳定运行提供了坚实保障性能优越的轴承,极大地提高了设备的工作效率和稳定性它在机器人领域的应用,展现了它的高精密性 KGSNOS40-PP-AS

INA KGSNOS40-PP-AS轴承近似型号

INAKGSNOS30-PP-AS INAKGSNOS50-PP-AS INA KTB40-PP-AS INA KGBAS40-PP-AS INA KGB40-PP-AS INA KGN40-C-PP-AS INA KGNC40-C-PP-AS INA KGNO40-C-PP-AS INA KGHK40-B-PP-AS INA KGBS40-PP-AS INA PAGBAO40-PP-AS INA KGNOS40-C-PP-AS

热门点击型号

INA ZKLN5090-2RS-2AP FAG SNV300-L+22328-E1-K+H2328X500+DHV528X500 FAG SNV140-L+21313-E1-K+H313X206+FSV613 FAG 230/710-B-K-MB+AH30/710A FAG BND3132-H-C-T-BL-S FAG BND3134-H-C-T-AL-S INA K30X34X13 INA KWVE45-B-S INA LFR5206-25-2Z FAG NU320-E-TVP2 INAGAL25-UK SNR7319B/DT SKF24056CCK30/W33+AOH24056G* RIVNU226 LYC6309E-Z SKFSNL3152G 国产6303-2RS1 NACHISN505 SKFHE3120 NACHI22348EW33

版权所有©2010-2017 轴承狗zcgou.com 上次更新:2026-04-14