INA KGSCS40-PP-AS直线球轴承及轴承座单元尺寸图纸

KGSCS..-PP-AS系列自调心直线球轴承,开式带槽设计,密封,脂润滑,带再润滑设施的直线导引系统

目录

INA KGSCS40-PP-AS轴承基本参数

INA直线球轴承及轴承座单元 KGSCS40-PP-AS, 自调心直线球轴承,开式带槽设计,密封,脂润滑,带再润滑设施
压缩载荷拉伸载荷全部密封脂润滑油润滑
INA直线球轴承及轴承座单元 KGSCS40-PP-AS, 自调心直线球轴承,开式带槽设计,密封,脂润滑,带再润滑设施
INA直线球轴承及轴承座单元 KGSCS40-PP-AS, 自调心直线球轴承,开式带槽设计,密封,脂润滑,带再润滑设施
INA直线球轴承及轴承座单元 KGSCS40-PP-AS, 自调心直线球轴承,开式带槽设计,密封,脂润滑,带再润滑设施
 
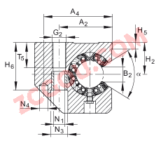
Fw40 mm  
B110 mm  
L80 mm  
H100 mm  
 
 球的列数
1) 主载荷方向
A275 mm 公差: +/-0,15
A497 mm  
A532 mm 公差: +/-0,01
B218,2 mm 和直径 Fw 有关的尺寸 B2
G2M20  
H245 mm 公差: +0,008 / -0,016
H460 mm  
H59,5 mm  
H667,6 mm  
JL48 mm 公差: +/-0,15

尺寸 JL 在轴承长度 L 上是对称的。
K5M14 根据 ISO 4762-8.8 标准的固定螺钉
如果有调节螺钉,应有螺钉防松措施。
K8NIP5MZ 润滑嘴
润滑孔在轴承长度 L 上是对称的。
L660 mm 尺寸 L6 在轴承长度 L 上是对称的。
N115,5 mm  
N324 mm  
N412 mm 销孔的中心
T536 mm  
W4 mm  
α56 °  
 
m1800 g 质量
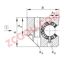
  在主载荷方向的基本额定载荷

基本额定载荷仅适用于淬硬(670+170 HV)及磨削过的作为滚道的轴。
Cmax10200 N 基本额定动载荷
C0 max9699 N 基本额定静载荷

INA KGSCS40-PP-AS轴承供货商

八零动力专业销售德国INAKGSCS40-PP-AS直线球轴承及轴承座单元,库存德国INAKGSCS40-PP-AS直线球轴承及轴承座单元大量现货,与厂家常年批量订购KGSCS40-PP-AS轴承,咨询热线:022-58519723业务咨询

INAKGSCS40-PP-AS,我选八零动力,品种全,价格优,质量有保证!大客户热线:022-58519722

其他品牌KGSCS40-PP-AS轴承同类可代替型号

KGSCS40-PP-AS它的抗疲劳性能,确保了长期使用的可靠性 它的密封性能,减少了润滑剂的泄漏 卓越的性能和可靠的质量,让这款轴承成为市场的宠儿品质卓越精湛的制造工艺赋予了这款轴承卓越的性能和品质 它的精密制造工艺,让人叹为观止 质量上乘的轴承,是提升机械设备性能的关键因素它的多样化应用,展现了它的无限可能 KGSCS40-PP-AS

INA KGSCS40-PP-AS轴承近似型号

INAKGSCS30-PP-AS INAKGSCS50-PP-AS INA KTNO40-C-PP-AS INA KGBAS40-PP-AS INA KGSCS40-PP-AS INA KGSNO40-PP-AS INA KGHK40-B-PP-AS INA KTN40-C-PP-AS INA KGNC40-C-PP-AS INA KGSC40-PP-AS INA PAGBA40-PP-AS INA KTHK40-B-PP-AS

热门点击型号

INA SL182972 FAG SNV085-L+1209-K-TVH-C3+H209X107+TCV509X107 FAG SNV085-L+22209-E1+FSV209 FAG SNV090-L+1210-K-TVH-C3+H210+DHV510 FAG SNV170-L+21316-E1-K+H316X212+DH616 FAG 1317-K-M-C3 INA K89309-TV INA MA10/4 INA MDKUSE25-KGT5 INA PAP1010-P14 STEYR7319B/DB TIMKEN22315YM* SKF1205EKTN9 NTNNU1084 SKF71817ACD/HCP4 SKFCR70X85X8HMS5RG SKF7406BM FAG635-2RSR LYCLY-N046 IKOKT323717

版权所有©2010-2017 轴承狗zcgou.com 上次更新:2026-05-30