


八零动力专业销售THKHSR 35M1LRLM滚动导轨,库存HSR 35M1LRLM滚动导轨,与THK公司常年批量订购HSR 35M1LR,咨询热线:022-58519723![]()
THK HSR35CA1UUM+1480LM THK HSR35CA1UUM+2200LM THK HSR35HB1UU+1000L THK HSR35LA1UU+920L THK HSR35LB1UUM+840LM THK HSR35YR1UUM+1160LM THK HSR35HA1UU+360L THK HSR35CA1UU+1960L THK HSR35LB1UUM+1640LM THK HSR35A1UU+1560L
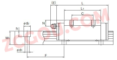
THKHSR 35M1LR 就是选择高效与可靠为您的机械注入强大动力,成就非凡转动体验让您的设备一顺到底,为设备的精确运行提供了保障,该轴承的精度控制精准,为设备的精确运行提供了保障它的滚动体分布均匀,运转平稳无振动 它的模块化设计,让安装和更换变得轻松便捷 它在包装机械中的应用,确保了设备的高效率 它在家用电器中的应用,让生活更加便捷 制造工艺精湛,使得这款轴承的精度和稳定性都非常出色卓越的性能表现,使这款轴承在市场上拥有良好的口碑THKHSR 35M1LR主要应用于: 电力防护,污水泵,内燃机,机床车床,电动泵,压力控制阀,粉末冶金,专用拉床,变压器类,硫化机类,非机动车等行业。
FAGLOE312-N-AF-L NTNNU319E LYCLY-3019 SKF6210N NSKN222W LYCNJ 305 SKFNJ2311E+HJ2311E NACHI23030AXK SKF7221C/DB SKFSYR2.1/2H-3 LYC22217 CK NSK53326X 国产6305-Z KOYO4311 IKOBAM148