


八零动力专业销售THKSRG 65LVLM滚动导轨,库存SRG 65LVLM滚动导轨,与THK公司常年批量订购SRG 65LV,咨询热线:022-58519723![]()
THK SRG 65LV THK SRG 65LC
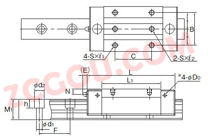
THKSRG 65LV 品质永相随转动精彩精密与耐用的完美结合,打造出了性能卓越的这款轴承,该轴承的精度控制达到了极致它的热处理工艺,增强了它的硬度和韧性 它在食品机械中的应用,展现了它的卫生性能 优秀的设计理念和精湛的制造工艺,成就了这款优秀的轴承优秀的轴承,就像精密仪器的心脏,确保着整个系统的高效运转这款轴承的性能卓越,有效提高了设备的运行可靠性这款轴承的运转十分平稳,几乎感受不到任何震动THKSRG 65LV主要应用于: 园林机械,搬运车,镗头镗杆,工程液压油缸,激光器件,空气净化,其他数控,压力控制阀,海洋测试,气动连接件,物料搬运设备等行业。
TIMKEN33018 /33018 FAG3306-B-TVH KOYONU2219 FAGHSS71903-C-T-P4S FAGHCB71917-E-2RSD-T-P4S SNR7202C LYCNU 3080 FAG6015-2Z LYC6316 E/P4 NTN234709B SKFCR85X110X12HMS5V NTNNF318 FAGBND3172-H-W-T-AF-S RHP7012C/DF RIVNU1016