SKFYEL207-106-2FCW轴承详细参数

发布时间:2026-05-30
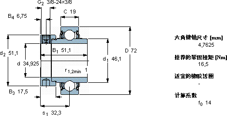
Y-轴承, 带偏心锁定环的, YEL 2-2FCW
主要数据尺寸 基本负荷额定值 疲劳负荷限值 限制速度 体积 型号
动态 静态
d D B1 (B) C C C0 Pu 用于轴公差h6
mm kN kN r/min kg -
34,9257251,11925,515,30,65553000,57YEL 207-106-2FCW

SKFYEL207-106-2FCW外球面球轴承Y-轴承供应商

八零动力专业销售YEL207-106-2FCW外球面球轴承Y-轴承,库存SKFYEL207-106-2FCW大量现货,与SKF合作,咨询热线:022-58519723业务咨询
SKFYEL207-106-2FCW它的耐用性,让人惊叹不已 它的抗冲击性能,让它经得起各种考验 它的密封性能,减少了润滑剂的泄漏 以卓越品质它的滚动体分布均匀,运转平稳无振动 该轴承的性能优越,极大地提高了设备的工作效率,八零动力SKF外球面球轴承Y-轴承品种全,价格优,质量有保证!

用户关注最多的SKF轴承型号

SKF612129A SKF7308BEGBM* SKFCR100051 SKFCR16719 SKFCR22X30X4HM4R SKFCR230X260X15HMSA10V SKFCR480x530x25HS5R SKFNCF3048CV SKFNN48/750K30/HB1W33 SKFNNUP4868/W33 SKFPCM182020M SKFS71922ACD/HCP4A SKFSNW3132x5.7/16 SKFSYH15/16RM SKFZW35x42

YEL207-106-2FCW外球面球轴承Y-轴承近似的SKF轴承型号

SKFYEL207-107-2FCW SKFYAR212-207-2F SKFYAR214-207-2F/AH SKFYAR207-107-2FW/VA228 SKFYEL212-207-2F SKFYAT207-106 SKFYET207-105 SKFYEL207-105-2F SKFYEL207-106-2F SKFYAR207-107-2F SKFYEL207-106-2F SKFYEL207-107-2F

用户关注最多的轴承狗热门型号

KOYO  7316B/DT FAG  SNV110-L + 1310-TVH + DH310 RHP  7216C/DB RHP  7210C SKF  CR52X72X8HMS5V KOYO  RF535825 NACHI  47896/47820 INA  GE44-ZO SKF  CR72542 SKF  2x7311BECCM* NSK  85BNR10X INA  KWVE30-B-SL SKF  PWM455330 STEYR  NJ314E TIMKEN  SDAF23196K

版权所有©2009-2015 轴承狗zcgou.com ICP备案:津ICP备14004550号-13