SKFYEL211-2F轴承详细参数

发布时间:2026-04-14
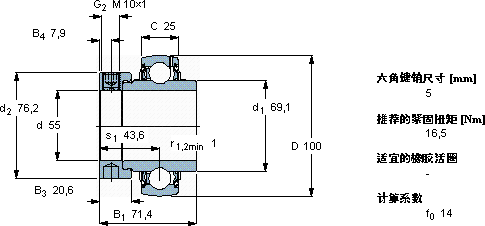
Y-轴承, 带偏心锁定环的, YEL 2-2F
主要数据尺寸 基本负荷额定值 疲劳负荷限值 限制速度 体积 型号
动态 静态
d D B1 (B) C C C0 Pu 用于轴公差h6
mm kN kN r/min kg -
5510071,42543,6291,2536001,25YEL 211-2F

SKFYEL211-2F外球面球轴承Y-轴承供应商

八零动力专业销售YEL211-2F外球面球轴承Y-轴承,库存SKFYEL211-2F大量现货,与SKF合作,咨询热线:022-58519723业务咨询
SKFYEL211-2F这轴承的设计精妙,充分考虑了各种实际应用需求是您机械世界里的不败功臣,是机械世界的璀璨明星,它的多样化应用,展现了它的无限可能 机械的心脏这轴承的设计简直精妙绝伦,每一处细节都彰显着极致的工艺美学,八零动力SKF外球面球轴承Y-轴承品种全,价格优,质量有保证!

用户关注最多的SKF轴承型号

SKF1318 SKF22213CCK/W33 SKF313007C SKF6004-2RZ SKF7211BEP SKFC2217KV* SKFC3232K* SKFCR115x135x12CRW1R SKFCR17231 SKFCR90130 SKFE2.627-2Z/C3 SKFGE110TXG3A-2LS SKFNJ2211ECP* SKFOKC590 SKFSY40TF/VA228

YEL211-2F外球面球轴承Y-轴承近似的SKF轴承型号

SKFYET211-203 SKFYAR213-211-2F/AH SKFYAR211-2F SKFYAR211-200-2FW/VA201 SKF1726211-2RS1 SKFYSA211-2FK SKFYAR211-115-2F/AH SKFYAR211-203-2F SKFYAR211-115-2F SKFYAT211-203 SKFYEL211-203-2FCW SKFYEL212-204-2F

用户关注最多的轴承狗热门型号

LYC  013.63.2990.03 NTN  24156BK30+AH24156H SKF  CR66X80X8.9CRSHA1R KOYO  3209A-Z LYC  LY-023(GX90C)/06 STEYR  6017-Z KOYO  624-Z SKF  SIA45TXE-2LS SKF  21312CC STEYR  53412 国产  51128M NSK  7318BYDF NTN  NJ2308E+HJ2308E FLT  NJ218 IKO  CRW3-250SL

版权所有©2009-2015 轴承狗zcgou.com ICP备案:津ICP备14004550号-13