SKFYEL211-200-2F轴承详细参数

发布时间:2026-05-30
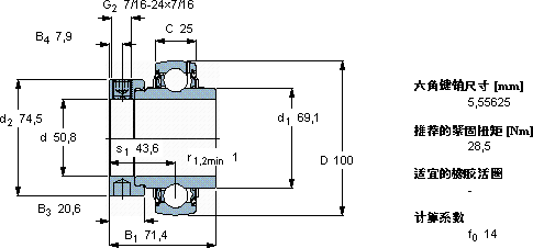
Y-轴承, 带偏心锁定环的, YEL 2-2F
主要数据尺寸 基本负荷额定值 疲劳负荷限值 限制速度 体积 型号
动态 静态
d D B1 (B) C C C0 Pu 用于轴公差h6
mm kN kN r/min kg -
50,810071,42543,6291,2536001,40YEL 211-200-2F

SKFYEL211-200-2F外球面球轴承Y-轴承供应商

八零动力专业销售YEL211-200-2F外球面球轴承Y-轴承,库存SKFYEL211-200-2F大量现货,与SKF合作,咨询热线:022-58519723业务咨询
SKFYEL211-200-2F这轴承的设计巧妙,充分考虑了设备的运行需求和维护便利性减少摩擦降低能耗为您的设备保驾护航,让机械运转无忧高精度的制造工艺,造就了这款高品质的轴承它的可回收性,减少了废弃物处理成本 它在机器人领域的应用,展现了它的高精密性 ,八零动力SKF外球面球轴承Y-轴承品种全,价格优,质量有保证!

用户关注最多的SKF轴承型号

SKF230/600CA/W33 SKF23096CAC/W33 SKF30207J2/Q SKF304203 SKF6204-2RS SKF71918CD/HCP4A SKFC3040K* SKFCR1500243 SKFCR15X40X10HMSA10RG SKFCR2000239 SKFCR30X62X7HMSA10V SKFCR99306 SKFGE70ES-2RS SKFSAL60TXE-2LS SKFYAR211-2FW/VA201

YEL211-200-2F外球面球轴承Y-轴承近似的SKF轴承型号

SKFYEL211-2F SKFYAR211-2F SKF1726211-2RS1 SKFYEL211-200-2FCW SKFYAR211-200-2RF SKFYAR211-2FW/VA201 SKFYAR211-200-2FW/VA201 SKFYAR211-2FW/VA228 SKFYAR213-211-2F SKFYAR215-211-2F/AH SKFYEL210-2F/W64 SKFYEL211-200-2FCW

用户关注最多的轴承狗热门型号

ZKL  7201B KOYO  6224-RZ SKF  YAR207-107-2RF/HV SKF  7016AC/DB INA  ZARF50115-L-TV NACHI  6212-2NSE SKF  CR18259 SKF  2x7211BECBP* ZKL  30304 TIMKEN  47686 /47620-B TIMKEN  449/432D SKF  NJ322ECJ* FAG  S3044-H-N-FZ-AL-L + 23044-K-MB SKF  61980 NSK  NJ230W

版权所有©2009-2015 轴承狗zcgou.com ICP备案:津ICP备14004550号-13