SKFYEL210-2F轴承详细参数

发布时间:2026-04-14
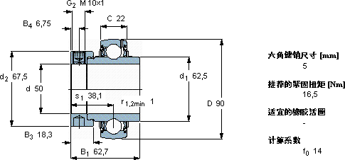
Y-轴承, 带偏心锁定环的, YEL 2-2F
主要数据尺寸 基本负荷额定值 疲劳负荷限值 限制速度 体积 型号
动态 静态
d D B1 (B) C C C0 Pu 用于轴公差h6
mm kN kN r/min kg -
509062,72235,123,20,9840000,89YEL 210-2F

SKFYEL210-2F外球面球轴承Y-轴承供应商

八零动力专业销售YEL210-2F外球面球轴承Y-轴承,库存SKFYEL210-2F大量现货,与SKF合作,咨询热线:022-58519723业务咨询
SKFYEL210-2F它在船舶工业中的应用,展现了它的耐腐蚀性 这款轴承的性能卓越,有效提升了设备的整体性能和可靠性品质卓越的它,在各种工况下都能展现出优异的性能高精度的轴承,为设备的稳定运行提供了坚实保障高精度的制造工艺,造就了这款高品质的轴承它的旋转精度,让高速运转成为现实 ,八零动力SKF外球面球轴承Y-轴承品种全,价格优,质量有保证!

用户关注最多的SKF轴承型号

SKF51202V/HR22T2 SKF6207ETN9 SKF7021CD/P4A SKF71901ACD/P4A SKFBT4B331226AG/HA1 SKFC2208TN9* SKFC4130K30V+AH24130* SKFCR100x127x11.13CRWH1R SKFCR26X38X5HMS5V SKFCR86258 SKFKD10-805 SKFNKXR50 SKFNU2240ECMA SKFPCM081008B SKFS7/8FM

YEL210-2F外球面球轴承Y-轴承近似的SKF轴承型号

SKFYAR210-2RF SKFYAR210-115-2FW/VA201 SKFYAR210-2RF/W64 SKFYAR210-115-2F SKFYEL210-115-2FCW SKFYET210 SKFYAT210 SKFYAR210-112-2F/AH SKFYAR210-2FW/VA228 SKFYAR210-2FW/VA201 SKFYEL210-115-2FCW SKFYEL210-2F/W64

用户关注最多的轴承狗热门型号

LYC  22316 C/C2 FYH  UKFLU309+H2309 TIMKEN  1103KLB LYC  7034 ACQ1/S0 国产  NUP330M TIMKEN  26118/26283 FAG  H30/1000-HG SKF  CR21X35X7HMSA10V RIV  NU314 SKF  1203ETN9 SKF  R144 KOYO  69/750 SYEYR  NU2314 MRC  7008AC/DB SKF  2x7306BEGAP*

版权所有©2009-2015 轴承狗zcgou.com ICP备案:津ICP备14004550号-13