SKFYET210轴承详细参数

发布时间:2026-05-30
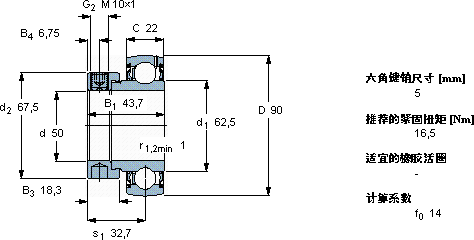
Y-轴承, 带偏心锁定环的, YET 2
主要数据尺寸 基本负荷额定值 疲劳负荷限值 限制速度 体积 型号
动态 静态
d D B1 (B) C C C0 Pu 用于轴公差h6
mm kN kN r/min kg -
509043,72235,123,20,9840000,70YET 210

SKFYET210外球面球轴承Y-轴承供应商

八零动力专业销售YET210外球面球轴承Y-轴承,库存SKFYET210大量现货,与SKF合作,咨询热线:022-58519723业务咨询
SKFYET210轴承的性能可靠,为机械设备的稳定运行立下汗马功劳它的品质卓越,为机械设备的高效、稳定运行保驾护航它的长寿命,减少了更换频率 就是选择高效与可靠稳定旋转的核心力量它的可回收性,体现了环保理念 ,八零动力SKF外球面球轴承Y-轴承品种全,价格优,质量有保证!

用户关注最多的SKF轴承型号

SKF30308J2/Q SKF32208BJ2/Q SKF5308A-2RS1* SKF71918C/DT SKFCR16119 SKFCR20X32X7HMSA10V SKFCR25X62X7HMSA10V SKFCR44320 SKFIR80x90x25 SKFNJ208E SKFPCM13013560B SKFPF30RM SKFSAW23528X4.7/8 SKFSIKAC12M/VZ019 SKFSNL3052G

YET210外球面球轴承Y-轴承近似的SKF轴承型号

SKFYAR210-2F SKF1726210-2RS1 SKFYAT210 SKFYAR210-115-2FW/VA201 SKFYAR210-2FW/VA228 SKFYEL210-2F SKFYAR210-115-2FW/VA228 SKFYHC210-108-2LS8W/VT357 SKFYAR210-115-2F/AH SKFYET210-115 SKFYET209-112 SKFYET210-115

用户关注最多的轴承狗热门型号

NACHI  6813 NACHI  24144EW33K30 NSK  NUP2309ET LYC  60/22 EX1-RZ SNR  32214 BARDEN  7208AC/DF FAG  BND2226-H-W-T-BF-S SKF  GS81128 SKF  71921CD/P4A 国产  6019-Z/Z3 SKF  61819-2RZ NTN  NJ310+HJ310 SKF  NKI30/30TN SKF  218-Z 国产  31310

版权所有©2009-2015 轴承狗zcgou.com ICP备案:津ICP备14004550号-13