SKFYEL207-2F轴承详细参数

发布时间:2026-05-29
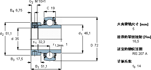
Y-轴承, 带偏心锁定环的, YEL 2-2F
主要数据尺寸 基本负荷额定值 疲劳负荷限值 限制速度 体积 型号
动态 静态
d D B1 (B) C C C0 Pu 用于轴公差h6
mm kN kN r/min kg -
357251,11925,515,30,65553000,55YEL 207-2F

SKFYEL207-2F外球面球轴承Y-轴承供应商

八零动力专业销售YEL207-2F外球面球轴承Y-轴承,库存SKFYEL207-2F大量现货,与SKF合作,咨询热线:022-58519723业务咨询
SKFYEL207-2F品质卓越品质永相随这轴承的精度控制令人佩服,为设备的精准运行提供了保障质量上乘的轴承,是提升机械设备性能的关键因素制造工艺精湛,使得这款轴承在运转时更加顺畅平稳高精度的轴承,为设备的稳定运行提供了坚实保障,八零动力SKF外球面球轴承Y-轴承品种全,价格优,质量有保证!

用户关注最多的SKF轴承型号

SKF23938CCK/W33 SKF23960CCK/W33+OH3960H* SKF618/710MA SKF61968 SKF634011A SKFCR12X30X7HMSA10RG SKFCR25082 SKFCR39304 SKFF5/8FM SKFGE45TXG3E-2LS SKFNF204ECP SKFNK75/35 SKFNKIA5907 SKFSAW23530 SKFSY2.7/16TF

YEL207-2F外球面球轴承Y-轴承近似的SKF轴承型号

SKFYAR212-207-2F SKFYEL212-207-2F SKFYET207/VL065 SKFYAR207-2RF/VE495 SKFYAR207-107-2FW/VA201 SKFYAR207-107-2FW/VA228 SKFYET207-106 SKFRIS207A SKFYAR207-105-2F SKFYSA207-2FK SKFYEL207-107-2FCW SKFYEL207-2RF/VL065

用户关注最多的轴承狗热门型号

TIMKEN  34KDD INA  SV-DRIVE2500-S TIMKEN  33251/33462D/X2S-33251 LYC  NU 1096 M/C9 SKF  619/630N1MA SKF  SAW23528X4.13/16 FAG  21315-E1-K SKF  SAF1522 TIMKEN  370A/362 SNR  2204K NTN  32216 SKF  60/500N1MAS NSK  22312EAE4 SKF  3312 SKF  LM739749/710/VE174

版权所有©2009-2015 轴承狗zcgou.com ICP备案:津ICP备14004550号-13