
SKFYAR207-107-2RF/HV轴承详细参数
发布时间:2026-04-29
| | | | | | | | | | |
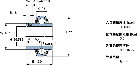
| Y-轴承, 带平头螺钉锁定的, YAR 2-2RF/HV |
 |
| 主要数据尺寸 | 基本负荷额定值 | 疲劳负荷限值 | 限制速度 | 体积 | 型号 |
| | 动态 | 静态 | | |
| d | D | B | C | C | C0 | Pu | 用于轴公差h6 |
 |
| mm | kN | kN | r/min | kg | - |
 |
| 36,513 | 72 | 42,9 | 19 | 21,6 | 15,3 | 0,655 | 3200 | 0,42 | YAR 207-107-2RF/HV |
SKFYAR207-107-2RF/HV外球面球轴承Y-轴承供应商
- 八零动力专业销售YAR207-107-2RF/HV外球面球轴承Y-轴承,库存SKFYAR207-107-2RF/HV大量现货,与SKF合作,咨询热线:022-58519723

- SKFYAR207-107-2RF/HV承载无限可能,它的质量卓越,为机械设备的安全运行保驾护航品质卓越的它,为机械设备的稳定、高效运行提供了支持零误差起步它在航空航天领域的应用,展现了它的高可靠性 这轴承的稳定性极佳,在高速运转时也能保持良好状态,八零动力SKF外球面球轴承Y-轴承品种全,价格优,质量有保证!
用户关注最多的SKF轴承型号
SKF2212EKTN9
SKF22222CCK/W33+H322
SKF32020
SKF6306-2ZNR*
SKF7211B/DT
SKF81126TN
SKFC4030-2CS5V*
SKFC71924FB/P7
SKFCR400044
SKFGEP220FS
SKFGEZ212TXE-2LS
SKFLS2542
SKFPCZ1624M
SKFSIR25ES
SKFSYM2.3/16TF