
SKFYAR207-104-2RF/HV轴承详细参数
发布时间:2026-05-29
| | | | | | | | | | |
| Y-轴承, 带平头螺钉锁定的, YAR 2-2RF/HV |
 |
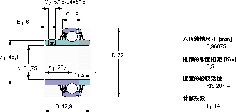
| 主要数据尺寸 | 基本负荷额定值 | 疲劳负荷限值 | 限制速度 | 体积 | 型号 |
| | 动态 | 静态 | | |
| d | D | B | C | C | C0 | Pu | 用于轴公差h6 |
 |
| mm | kN | kN | r/min | kg | - |
 |
| 31,75 | 72 | 42,9 | 19 | 21,6 | 15,3 | 0,655 | 3200 | 0,42 | YAR 207-104-2RF/HV |
SKFYAR207-104-2RF/HV外球面球轴承Y-轴承供应商
- 八零动力专业销售YAR207-104-2RF/HV外球面球轴承Y-轴承,库存SKFYAR207-104-2RF/HV大量现货,与SKF合作,咨询热线:022-58519723

- SKFYAR207-104-2RF/HV它的品质卓越,为机械设备的高效、稳定运行保驾护航这轴承的质量过硬,经得起时间和高强度工作的考验这轴承的设计简直精妙绝伦,每一处细节都彰显着极致的工艺美学让工作更高效,精湛的工艺打造出的轴承,精度和稳定性都令人称赞承载重托,八零动力SKF外球面球轴承Y-轴承品种全,价格优,质量有保证!
用户关注最多的SKF轴承型号
SKF1211ETN9
SKF33111/Q
SKF3220A
SKF3303A-2Z
SKF7015CD/P4A
SKF7028ACD/P4A
SKF7222C
SKFC30/630KM+OH30/630H*
SKFCR24880
SKFCR50X68X10HMS5V
SKFFNL505A
SKFK40x48x20
SKFNJ421
SKFNUP228ECJ*
SKFSAF1318