SKFYEL205-100-2F轴承详细参数

发布时间:2026-05-30
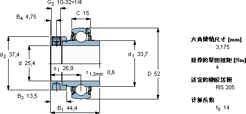
Y-轴承, 带偏心锁定环的, YEL 2-2F
主要数据尺寸 基本负荷额定值 疲劳负荷限值 限制速度 体积 型号
动态 静态
d D B1 (B) C C C0 Pu 用于轴公差h6
mm kN kN r/min kg -
25,45244,415147,80,33570000,22YEL 205-100-2F

SKFYEL205-100-2F外球面球轴承Y-轴承供应商

八零动力专业销售YEL205-100-2F外球面球轴承Y-轴承,库存SKFYEL205-100-2F大量现货,与SKF合作,咨询热线:022-58519723业务咨询
SKFYEL205-100-2F轴承的稳定性和可靠性表现出色,赢得了用户的高度认可这款轴承的性能卓越,有效提升了设备的整体性能和可靠性先进的制造技术和严格的质量控制,造就了这款优质轴承设计合理、性能优良的它,是机械设备实现高效运行的重要保障它的径向跳动控制,达到了行业顶尖水平 承载重载历经岁月,八零动力SKF外球面球轴承Y-轴承品种全,价格优,质量有保证!

用户关注最多的SKF轴承型号

SKF2320KM SKF239/750CAK/W33* SKF240/900ECA/W33 SKF2x7319BECBM* SKF30309 SKF313924A SKF7214AC SKF7218BECBP SKFCR19017 SKFCR52X85X10HMS5V SKFFYKC35NTR/VE495 SKFM90x2 SKFQJ313MA* SKFSI6C SKFSYR3.H-18

YEL205-100-2F外球面球轴承Y-轴承近似的SKF轴承型号

SKFYAR205-100-2F SKFYAR205-2RF/HV SKFYAR205-014-2F/AH SKFYAR205-100-2F/AH SKFYEL205-014-2F SKFYEL205-2F SKFYAR205-2RF/VE495 SKFYAR205-100-2RF SKFYEL205-100-2FCW SKFYAR205-015-2F SKFYEL205-015-2FCW SKFYEL205-100-2FCW

用户关注最多的轴承狗热门型号

STEYR  6307-Z NSK  7922CTY GMN  7014C/DF TORRINGTON&FAFNIR  3307 RHP  1201 SNR  629-RS NACHI  NJ2316 EASE  LB304768AJ NTN  7001C/DB NTN  1318 国产  RAN6915 FAG  SNV240-L + 2322-K-M-C3 + H2322X312 + TSV522X312 NTN  UCP207 MAC  NUP2218 IKO  RNAFW223026

版权所有©2009-2015 轴承狗zcgou.com ICP备案:津ICP备14004550号-13