SKFW6304轴承详细参数

发布时间:2026-05-03
深沟球轴承, 单列,不锈钢, 无密封件
主要数据尺寸 基本负荷额定值 疲劳负荷限值 额定速度 体积 型号
动态 静态 参照速度 限制速度
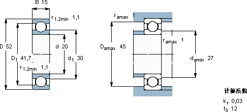
d D B C C0 Pu
mm kN kN r/min kg -
20521513,57,650,33530000190000,14W 6304

SKFW6304深沟球轴承供应商

八零动力专业销售W6304深沟球轴承,库存SKFW6304大量现货,与SKF合作,咨询热线:022-58519723业务咨询
SKFW6304它的多样化应用,展现了它的无限可能 它的尺寸精度,达到了微米级的极致 它的耐用性,赢得了无数用户的信赖 先进的制造技术和严格的质量控制,造就了这款优质轴承稳定持久这轴承的设计巧妙,充分考虑了设备的运行需求和维护便利性,八零动力SKF深沟球轴承品种全,价格优,质量有保证!

用户关注最多的SKF轴承型号

SKF32030X/DF SKF61832 SKF6202-2Z/VA201 SKF7415BCBM SKF7236BCBM SKF811/1120M SKFCR140X170X12HMSA10RG SKFCR190X220X15HMS5V SKFCR22X38X8HMS5RG SKFCR38x50x7CRW1R SKFCR60650 SKFNK30/20 SKFNKIA5907 SKFOKC960 SKFWS81296

W6304深沟球轴承近似的SKF轴承型号

SKFW6304-2RS1 SKF6304-RS SKF6304-2RSH* SKF6304-2Z/VA208 SKF6304N* SKF6304-2RS SKF6304-2ZNR* SKF6304* SKF6304-2Z* SKF6304NR* SKFW6303-2Z SKFW6304-2RS1

用户关注最多的轴承狗热门型号

LYC  012.60.2800.11K SKF  62214-2RS1 NACHI  E32207J SKF  32320 SKF  PCM455040E SKF  CR18823 TIMKEN  580X/572 NTN  NJ2204+HJ2204 SKF  CR57x92x11CRWHA1R NACHI  7209DT FAG  1216-K-TVH-C3 + H216 NSK  6301VV SKF  SAL70ES-2RS INA  CSED070 IKO  LWLF24...B

版权所有©2009-2015 轴承狗zcgou.com ICP备案:津ICP备14004550号-13