SKF6304ETN9轴承详细参数

发布时间:2026-04-26
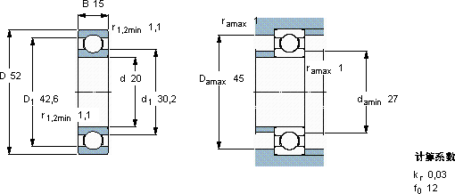
深沟球轴承, 单列, 无密封件
主要数据尺寸 基本负荷额定值 疲劳负荷限值 额定速度 体积 型号
动态 静态 参照速度 限制速度
d D B C C0 Pu
mm kN kN r/min kg -
20521518,290,3830000190000,146304 ETN9

SKF6304ETN9深沟球轴承供应商

八零动力专业销售6304ETN9深沟球轴承,库存SKF6304ETN9大量现货,与SKF合作,咨询热线:022-58519723业务咨询
SKF6304ETN9它的抗震性能,确保了它在振动环境下的可靠性 它在轨道交通中的应用,确保了列车的安全运行 优秀的轴承,就像精密仪器的心脏,确保着整个系统的高效运转它的质量过硬,为机械设备的高效、安全、稳定运行 高精度的制造工艺,让这款轴承的性能更加出色承载重载历经岁月,八零动力SKF深沟球轴承品种全,价格优,质量有保证!

用户关注最多的SKF轴承型号

SKF1206K SKF2206K SKF3308DTN9 SKF331752 SKF6009-RS SKF61822-2RZ SKF811/900M SKFAOH3148 SKFBT4-0020/HA1 SKFCR12X30X7HMSA10V SKFCR21358 SKFCR36x68x8CRW1R SKFFY2.7/16TF/AH SKFGE50ES-2RS SKFNNCF5072CV

6304ETN9深沟球轴承近似的SKF轴承型号

SKF6304* SKF6304-2Z* SKF6304ETN9 SKF6304-2ZNR* SKF6304-2RSH* SKFW6304 SKF6304-2RS SKF6304-ZN SKF6304N* SKF6304/VA201 SKF6304-ZNR* SKF6304N*

用户关注最多的轴承狗热门型号

SKF  CR403752 INA  GF25-DO GMN  7006C/DT NSK  95BNR29SV1V SKF  NCF2992V TORRINGTON FAFNIR  6205N SKF  UEL212 SKF  2x7312BECBPH* NSK  239/1060CAKE4 NSK  6900ZZ TORRINGTON&FAFNIR  6005-2Z SKF  NN3017KTN9/SP TIMKEN  A-5230-WS TORRINGTON  24152CAC/W33 IKO  TAF425230

版权所有©2009-2015 轴承狗zcgou.com ICP备案:津ICP备14004550号-13