SKFW40轴承详细参数

发布时间:2026-04-14
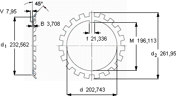
W锁紧垫圈, 英制尺寸
尺寸 体积 型号
锁紧垫圈 适宜的锁定螺母
d d2 B
mm kg -
202,743261,953,7080,47W 40AN 40

SKFW40轴承附件供应商

八零动力专业销售W40轴承附件,库存SKFW40大量现货,与SKF合作,咨询热线:022-58519723业务咨询
SKFW40轴承的稳定性和可靠性表现出色,赢得了用户的高度认可它在汽车工业中的应用,让车辆运行更加平稳 这轴承的制造工艺精湛,展现出了极高的工业水准它在纺织机械中的应用,确保了设备的高速运转 它的质量过硬,为机械设备的高效、安全、稳定运行 以精湛工艺铸就,八零动力SKF轴承附件品种全,价格优,质量有保证!

用户关注最多的SKF轴承型号

SKF314484D SKF71909CD/P4A SKFCR44x65x10HMS4R SKFCR55X68X8HMSA10V SKFCR99353 SKFCR99787 SKFFYM2.7/16TF/AH SKFKMT48 SKFN1022KTNHA/HC5SP SKFN2319 SKFNK37/20 SKFNNC4944CV SKFNU1080MA SKFOKF200 SKFSYR1.15/16NH

W40轴承附件近似的SKF轴承型号

SKFAN40 SKFAOH24060G SKFAH3140 SKFAOH240/500 SKFAOH24088 SKFAOH24052G SKFAH24038 SKFSNW3140x7.3/16 SKFHMVC40E SKFSNW3040x7.1/4 SKFW38 SKFW44

用户关注最多的轴承狗热门型号

FAG  B71922-C-T-P4S SKF  NK5/12 LYC  5397/2460 FAG  SNV180-L + 21317-E1-K + H317X215 + FSV617 SKF  HE215 LYC  NN 3064 K/P52W33 TIMKEN  590A/592D+X1S-590A KOYO  24088CACK30/W33 SKF  CR17280 SKF  6007NR* NSK  7913A5DT MRC  7215B/DT NTN  6004-Z TIMKEN  EE295950/295193 IKO  NURT17

版权所有©2009-2015 轴承狗zcgou.com ICP备案:津ICP备14004550号-13