SKFKMTA40轴承详细参数

发布时间:2026-05-30
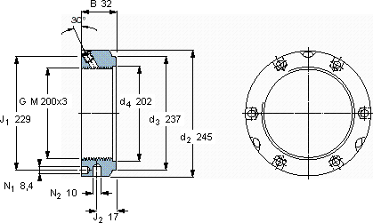
带锁紧销的KMTA精密锁紧定螺母
螺纹尺寸 尺寸 轴向负荷 体积 型号 平头螺钉
承载能力 锁定螺母 适宜的板手 尺寸 推荐的紧固扭矩
d3 B G 静态
- mm - kN kg --- Nm
20023732M 200x313403,85KMTA 40B 230-245M 1035

SKFKMTA40轴承附件供应商

八零动力专业销售KMTA40轴承附件,库存SKFKMTA40大量现货,与SKF合作,咨询热线:022-58519723业务咨询
SKFKMTA40我们的轴承卓越的性能零误差起步它的耐用性,赢得了无数用户的信赖 承载重载历经岁月它虽小,却是工业革命的基石 为您的机械提供持久动力,,八零动力SKF轴承附件品种全,价格优,质量有保证!

用户关注最多的SKF轴承型号

SKF23052CC/W33* SKF23234CCK/W33+H2334 SKF47678/47620/Q SKFC7018FB/P7 SKFCR35X52X10HMSA10RG SKFFSAF22616 SKFHE3134 SKFK15x21x15 SKFNNC4838CV SKFPFT20TF SKFRNU309ECP* SKFS7010CD/P4A SKFS71912FB/P7 SKFUC201 SKFWS81272

KMTA40轴承附件近似的SKF轴承型号

SKFAOH24048 SKFH3940 SKFAOH24044 SKFAOH240/560G SKFAOH24084 SKFAH24026 SKFAOH24064G SKFSNW40x7.3/16 SKFH3140L SKFAN40 SKFKMTA38 SKFKMTA5

用户关注最多的轴承狗热门型号

SKF  CR1700552 SNR  7208AC/DB TIMKEN  M278749/M278710 KOYO  29324R FAG  SNV190-L + 21318-E1-K + H318X302 + TCV518X309 LYC  6397/3615 LYC  29344 NACHI  NUP2332E NTN  F619/6 NACHI  6215ZENR KOYO  NJ2316 SKF  PCM100105115B SKF  239/900CAK/W33+OH39/900H* INA  SCE1210-PP SKF  PL560

版权所有©2009-2015 轴承狗zcgou.com ICP备案:津ICP备14004550号-13