SKFW28轴承详细参数

发布时间:2026-05-30
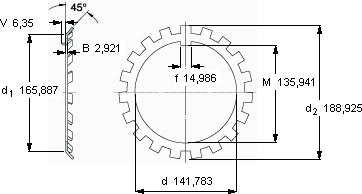
W锁紧垫圈, 英制尺寸
尺寸 体积 型号
锁紧垫圈 适宜的锁定螺母
d d2 B
mm kg -
141,783188,9252,9210,22W 28AN 28

SKFW28轴承附件供应商

八零动力专业销售W28轴承附件,库存SKFW28大量现货,与SKF合作,咨询热线:022-58519723业务咨询
SKFW28它在冶金设备中的应用,确保了设备的高温性能 这轴承的精度控制令人佩服,为设备的精准运行提供了保障它的质量过硬,为机械设备的高效、安全运行提供了保障性能卓越的它,为机械设备的稳定运行提供了可靠保障它的质量可靠,是众多机械设备制造商的首选配件高精度的制造工艺,让这款轴承的性能更加出色,八零动力SKF轴承附件品种全,价格优,质量有保证!

用户关注最多的SKF轴承型号

SKF1208 SKF2315KM+H2315 SKF60/500N1MAS SKF619/560 SKF6213-2Z/VA228 SKF7214C SKFBT4B332963/HA1 SKFCR54x73x11.13CRWA1R SKFCR90X125X13CRSH1R SKFGEZ208TXE-2LS SKFN213E SKFNKI75/35 SKFOH3060H SKFPF1.15/16FM SKFUC202

W28轴承附件近似的SKF轴承型号

SKFAHX3028 SKFHA3128 SKFSNW128x4.15/16 SKFSNW28x4.15/16 SKFKMTA28 SKFKMFE28 SKFHA2328 SKFN028 SKFHE2328 SKFW028 SKFW26 SKFW30

用户关注最多的轴承狗热门型号

FAG  SNV270-L + 23230-E1-TVPB + DH230 TIMKEN  280RN51 MAC  NU314 SKF  FNL517B FAG  SNV180-L + 20220-K-MB-C3 + H220X307 + DH520X307 FYH  UCFU211 TIMKEN  EE231462/231975 NTN  23128BK+AHX3128 FAG  61809-2Z-Y NACHI  5204NR SKF  CR22X32X7HMSA10V SKF  NNU4888K/W33 INA  KTNOS16-C-PP-AS NACHI  5304N FAG  231SM280-MA

版权所有©2009-2015 轴承狗zcgou.com ICP备案:津ICP备14004550号-13