SKFW13轴承详细参数

发布时间:2026-05-30
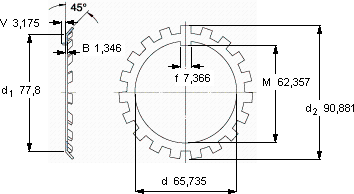
W锁紧垫圈, 英制尺寸
尺寸 体积 型号
锁紧垫圈 适宜的锁定螺母
d d2 B
mm kg -
65,73590,8811,3460,027W 13N 13

SKFW13轴承附件供应商

八零动力专业销售W13轴承附件,库存SKFW13大量现货,与SKF合作,咨询热线:022-58519723业务咨询
SKFW13打造出了性能卓越的这款轴承,该轴承的精度控制达到了极致卓越的性能表现,使这款轴承在市场上拥有良好的口碑它机械世界的心脏,默默支撑着无数设备的运转 轴承的选材优质,确保了其在各种环境下都能稳定工作卓越的性能表现,让这款轴承在市场上脱颖而出它在冶金设备中的应用,确保了设备的高温性能 ,八零动力SKF轴承附件品种全,价格优,质量有保证!

用户关注最多的SKF轴承型号

SKF206-2ZNR SKF22214EK+H314* SKF234426B SKF24192ECAK30/W33+AOH24192* SKF32938 SKF51176F SKF53322M SKF61819-2RS1 SKF7012ACD/P4A SKF7222C/DB SKFCR45X62X7HMS5V SKFCR523154 SKFN032 SKFOKTC545 SKFPFT25WF

W13轴承附件近似的SKF轴承型号

SKFH2313 SKFHA3130 SKFHE3132 SKFSNW138x7 SKFSNW34x5.13/16 SKFAH24136 SKFSNW38x6.13/16 SKFSNW3038x6.13/16 SKFSNW128x4.13/16 SKFSNW134x5.13/16 SKFW12 SKFW14

用户关注最多的轴承狗热门型号

NTN  6009N NTN  231/630B TIMKEN  32SBT52 SKF  7309BEY SKF  7212AC LYC  31311 E/01 ZKL  NU2240 SKF  KMFE26 TIMKEN  435/432D+R800002 SKF  ZW45x55 SKF  314982 FAG  SNV090-L + 2210-K-TVH-C3 + H310X111 + DHV510X111 SKF  2202 SKF  313 FAG  SD3180-H-TS-BF-L + 231SM380-MA

版权所有©2009-2015 轴承狗zcgou.com ICP备案:津ICP备14004550号-13