SKFYEL215-215-2F轴承详细参数

发布时间:2026-04-14
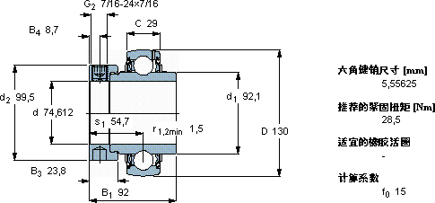
Y-轴承, 带偏心锁定环的, YEL 2-2F
主要数据尺寸 基本负荷额定值 疲劳负荷限值 限制速度 体积 型号
动态 静态
d D B1 (B) C C C0 Pu 用于轴公差h6
mm kN kN r/min kg -
74,612130922966,3492,0426002,30YEL 215-215-2F

SKFYEL215-215-2F外球面球轴承Y-轴承供应商

八零动力专业销售YEL215-215-2F外球面球轴承Y-轴承,库存SKFYEL215-215-2F大量现货,与SKF合作,咨询热线:022-58519723业务咨询
SKFYEL215-215-2F稳定的传奇它的可回收性,减少了废弃物处理成本 有效增强了机械设备的竞争力它的品质卓越,是提升机械设备整体性能的关键所在它的每一次转动,都是对精准度的极致追求 轴承的性能可靠,为机械设备的稳定运行立下汗马功劳,八零动力SKF外球面球轴承Y-轴承品种全,价格优,质量有保证!

用户关注最多的SKF轴承型号

SKF16040 SKF22238CCK/W33+H3138 SKF23022CC/W33* SKF239/630CAK/W33* SKF6213-2RS1* SKF6326M SKF7217BECBP* SKFCR1013470 SKFCR50X85X10HMS5RG SKFCR99858 SKFNJ1011ECP SKFOH3052H SKFS7022FB/P7 SKFSAWS23522 SKFSYE3.7/16NH-118

YEL215-215-2F外球面球轴承Y-轴承近似的SKF轴承型号

SKFYAR215-215-2F SKFYAR215-211-2F SKFYAR216-215-2F SKFYAR215-212-2F SKFYEL215-212-2F SKFYAR216-215-2F/AH SKFYEL215-215-2F SKFYAR215-215-2F/AH SKFYAT215-215 SKFYAR215-212-2F/AH SKFYEL215-212-2F SKFYET203

用户关注最多的轴承狗热门型号

LYC  NUP 2208 EV/C3 NSK  51420XM SKF  CR28275 NACHI  53436U KOYO  7408 NSK  7203ATYNSULP4 LYC  M249748D/M249710/HC3 NTN  6032 KOYO  41126/286 国产  NK32/30 TIMKEN  A6067/A6157A LYC  GE180TXG3A-2RS SKF  SNW3036x6.5/16 FAG  SNV072-L + 2306-K-TVH-C3 + H2306X015 + TCV606X015 SKF  CR63796

版权所有©2009-2015 轴承狗zcgou.com ICP备案:津ICP备14004550号-13