SKFT7FC080T98/QCL7CDTC20*轴承详细参数

发布时间:2026-04-14
圆锥滚子轴承, 单列,前后配对
主要数据尺寸 基本负荷额定值 疲劳负荷限值 额定速度 体积 型号
动态 静态 参照速度 限制速度
d D B C C0 Pu * - SKF Explorer 轴承
mm kN kN r/min kg -
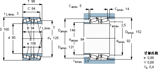
8016098450630712400400016,5T7FC 080T98/QCL7CDTC20 *

SKFT7FC080T98/QCL7CDTC20*圆锥滚子轴承供应商

八零动力专业销售T7FC080T98/QCL7CDTC20*圆锥滚子轴承,库存SKFT7FC080T98/QCL7CDTC20*大量现货,与SKF合作,咨询热线:022-58519723业务咨询
SKFT7FC080T98/QCL7CDTC20*轴承的耐用性出色,能够长时间保持良好的工作状态它的耐腐蚀性,减少了维护成本 以精湛工艺铸就优秀的设计和卓越的性能,让这款轴承备受青睐它的耐用性,赢得了无数用户的信赖 它的轻量化设计,减少了材料的使用 ,八零动力SKF圆锥滚子轴承品种全,价格优,质量有保证!

用户关注最多的SKF轴承型号

SKF231/1000CAK/W33+OH31/1000H SKF60/850MB SKF619/1600MB SKF7010FB/P7 SKF71805ACD/HCP4 SKFCR27X47X10HMSA10V SKFCR43X62X8HMS5V SKFCR52X65X8HMS5RG SKFFYTJ40KF SKFHE313 SKFHMV58E SKFNKI32/20 SKFNU2314ECP SKFSC71906FB/P7 SKFSNP3268x12.7/16

T7FC080T98/QCL7CDTC20*圆锥滚子轴承近似的SKF轴承型号

SKFT7FC080T98/QCL7CDTC20* SKFBT4B334080G/HA1VA901 SKF330803A SKFT7FC080/QCL7C SKFT7FC080T98/QCL7CDTC20 SKFT7FC080/QCL7C SKFT7FC070T83/QCL7CDTC10* SKFTU1.11/16FM

用户关注最多的轴承狗热门型号

FAG  NN3030-AS-K-M-SP LYC  352232 /C3W33 NTN  6216 MRC  7220AC/DB NTN  33008 RHP  7228B/DB KOYO  7205C/DF INA  NA4903 MRC  QJ220 FAG  HC71910-C-T-P4S LYC  51102 国产  NUP210EN INA  IR45X50X35 FAG  SNV062-L + 20206-K-TVP-C3 + H206X015 + DHV506X015 IKO  CFE20-1VUUR

版权所有©2009-2015 轴承狗zcgou.com ICP备案:津ICP备14004550号-13