SKFT7FC070T83/QCL7CDTC10*轴承详细参数

发布时间:2026-04-15
圆锥滚子轴承, 单列,前后配对
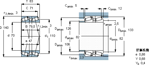
主要数据尺寸 基本负荷额定值 疲劳负荷限值 额定速度 体积 型号
动态 静态 参照速度 限制速度
d D B C C0 Pu * - SKF Explorer 轴承
mm kN kN r/min kg -
7014083355480552800450011T7FC 070T83/QCL7CDTC10 *

SKFT7FC070T83/QCL7CDTC10*圆锥滚子轴承供应商

八零动力专业销售T7FC070T83/QCL7CDTC10*圆锥滚子轴承,库存SKFT7FC070T83/QCL7CDTC10*大量现货,与SKF合作,咨询热线:022-58519723业务咨询
SKFT7FC070T83/QCL7CDTC10*这款轴承的运转十分平稳,几乎感受不到任何震动精准承载它的质量卓越,为机械设备的安全运行保驾护航给您意想不到的顺畅体验,设计独特的轴承,不仅性能优越,还具有很高的性价比它的轻量化设计,减少了运输成本 ,八零动力SKF圆锥滚子轴承品种全,价格优,质量有保证!

用户关注最多的SKF轴承型号

SKF2x7212BEGAP* SKF6004-2RSL* SKF619/1120MB SKF6210-2ZNR* SKF7024DB/P7 SKF71821CD/HCP4A SKF71904C/DB SKFCR29841 SKFCR43X72X10CRSH11R SKFCR60X72X8HMSA10V SKFGE6C SKFM75x2 SKFNCF2952CV SKFNU334ECM SKFPCZ1012B

T7FC070T83/QCL7CDTC10*圆锥滚子轴承近似的SKF轴承型号

SKFHM807046/010/QCL7C SKFT7FC070T83/QCL7CDTC10 SKFHM807040/010/QCL7C SKFT2ED070/QCLNVB061 SKFT7FC070/QCL7C SKFT7FC070/QCL7C SKFHM807040/010/QCL7C SKFT7FC070T83/QCL7CDTC10* SKFHM807046/010/QCL7C SKFT2ED070/QCLNVB061 SKFT7FC060T80/QCL7CDTC10* SKFT7FC080T98/QCL7CDTC20*

用户关注最多的轴承狗热门型号

TIMKEN  G1112KLLB ASAHI  UKFU308+H2308 FAG  BND3024-H-C-T-AL-S MRC  6211-RS EASE  LB406280 TIMKEN  230/800YMB LYC  32018 X2/P4 GMN  7320B/DB NACHI  L44649/L44610 SKF  NA6905 NTN  61948 RHP  6302-2Z SKF  7010ACE/HCP4A KOYO  51672 SKF  OKBS62

版权所有©2009-2015 轴承狗zcgou.com ICP备案:津ICP备14004550号-13