SKFSYJ40TF轴承详细参数

发布时间:2026-04-14
Y-型立式轴承座单元, 铸造轴承座,平头螺钉锁紧定, 公制轴承
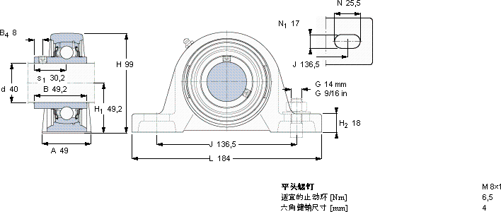
尺寸 基本负荷额定值 限制速度 质量 型号
动态 静态 轴承单元 轴承座 轴承
d A H H1 L C C0 带轴公差 h6
mm kN r/min kg -
40499949,218430,71948001,85SYJ 40 TFSYJ 508YAR 208-2F

SKFSYJ40TFY-轴承座单元供应商

八零动力专业销售SYJ40TFY-轴承座单元,库存SKFSYJ40TF大量现货,与SKF合作,咨询热线:022-58519723业务咨询
SKFSYJ40TF高品质的轴承,在各种复杂工况下都能展现出卓越的性能表现它的抗剪切性能,确保了它的结构稳定性 这轴承的设计巧妙,充分考虑了设备的运行需求和维护便利性是您成功路上的得力助手,它在包装机械中的应用,确保了设备的高效率 质量上乘的轴承,是提升机械设备性能的关键因素,八零动力SKFY-轴承座单元品种全,价格优,质量有保证!

用户关注最多的SKF轴承型号

SKF1315K+H315 SKF22326CCJA/W33VA406* SKF304203 SKF32016X/Q SKFAHX2318 SKFCR45X60X10HMS5RG SKFCR55X68X8HMS5RG SKFFSYE2.7/16H SKFFYT1.5/16FM SKFN060 SKFNKXR30Z SKFNNU4096KM/W33 SKFNU312ECJ* SKFS71912ACD/HCP4A SKFSYM1.1/2TF

SYJ40TFY-轴承座单元近似的SKF轴承型号

SKFSYKC40NTR/VE495 SKFSYK40TF SKFSYJ40KF SKFSY40WF SKFSY40TF SKFSYF40TF SKFP40TR SKFSYL40TH SKFP40TF SKFP40WF SKFSYJ40KF SKFSYJ45KF

用户关注最多的轴承狗热门型号

NTN  NNU4964 FAG  SNV270-L + 22230-E1-K + H3130X504 + FSV530X504 TIMKEN  K40X45X21CH ZKL  7301B/DB INA  KWVE30-B-SN LYC  24018 C/C4S0 LYC  319/710 X2/P5 NSK  7009ATYNDBLP4 SKF  SYR3.15/16-18 SKF  NCF2984CV SKF  FSAFC2220 国产  KZK32*41*18 SKF  PF1.5/8FM SKF  NUP2205E KOYO  NJ230

版权所有©2009-2015 轴承狗zcgou.com ICP备案:津ICP备14004550号-13